Расчет пластинчатого теплообменника - как правильно определить параметры?
ОБЩИЕ ПРИНЦИПЫ УСТРОЙСТВА СХЕМ ТЕПЛОСНАБЖЕНИЯ
Система теплоснабжения представляет собой систему транспортировки тепловой энергии (в виде нагретой воды или пара) от источника тепловой энергии к ее потребителю.
Система теплоснабжения в основном состоит из трех частей: источник тепла, потребитель тепла, тепловая сеть — служащая для транспортировки тепла от источника к потребителю.
1. Паровой котел на ТЭЦ или котельной.
2. Сетевой теплообменник.
3. Циркуляционный насос.
4. Теплообменник системы горячего водоснабжения.
5. Теплообменник системы отопления.
Роль элементов схемы:
- котельный агрегат — источник тепла, передача теплоты сгорания топлива к теплоносителю;
- насосное оборудование — создание циркуляции теплоносителя;
- подающий трубопровод — подача нагретого теплоносителя от источника к потребителю;
- обратный трубопровод — возврат охлажденного теплоносителя на источник от потребителя;
- теплообменное оборудование — преобразование тепловой энергии.

ТЕМПЕРАТУРНЫЕ ГРАФИКИ
В нашей стране принято качественное регулирование отпуска теплоты потребителям. Т. е. не изменяя расход теплоносителя через теплопотребляющую систему, изменяется разность температур на входе и на выходе системы.
Это достигается изменением температуры в подающем трубопроводе в зависимости от температуры наружного воздуха. Чем ниже температура наружного воздуха, тем выше температура в подающем трубопроводе. Соответственно температура обратного трубопровода также изменяется по этой зависимости. И все системы потребляющие тепло проектируются с учетом этих требований.
Графики зависимости температур теплоносителя в подающем и обратном трубопроводе называются температурным графиком системы теплоснабжения.

Температурный график устанавливается источником теплоснабжения в зависимости от его мощности, требований тепловых сетей, требований потребителей. Температурные графики называются по максимальным температурам в подающем и обратном трубопроводах: 150/70, 95/70 …
Срезка графика в верхней части — когда у котельной не хватает мощности.
Срезка графика в нижней части — для обеспечения работоспособности систем ГВС.
Работа систем отопления идет в основном по графику 95/70 для обеспечения средней температуры в отопительном приборе 82,5°С при -30° С.
Если требуемую температуру в подающем трубопроводе обеспечивает источник тепла, то требуемую температуру в обратном трубопроводе обеспечивает потребитель тепла своей теплопотребляющей системой. Если происходит завышение температуры обратной воды от потребителя, то это означает неудовлетворительную работу его системы и влечет за собой штрафы т. к. приводит к ухудшению работы источника тепла. При этом снижается его КПД. Поэтому существуют специальные контролирующие организации, которые отслеживают, чтобы теплопотребляющие системы потребителей выдавали температуру обратной воды по температурному графику или ниже. Однако в некоторых случаях подобное завышение допускается, напр. при установке отопительных теплообменников.
График 150/70 позволят передавать тепло от источника тепла с меньшими расходами теплоносителя, однако в домовые системы отопления нельзя подавать теплоноситель с температурой выше 105°С. Поэтому производят понижение графика, например на 95/70. Понижение производится установкой теплообменника либо подмесом обратной воды в подающий трубопровод.
ГИДРАВЛИКА ТЕПЛОВЫХ СЕТЕЙ
Циркуляция воды в системах теплоснабжения производится сетевыми насосами на котельных и тепловых пунктах. Так как протяженность трасс достаточно велика то разность давления в подающем и обратном трубопроводах, которую создает насос, уменьшается с удалением от насоса.
Из рисунка видно, что для наиболее удаленного потребителя самый малый располагаемый перепад давления. Т. е. для нормальной работы его теплопотребляющих систем необходимо чтобы они имели самое малое гидравлическое сопротивление для обеспечения требуемого расхода воды через них.


РАСЧЕТ ПЛАСТИНЧАТЫХ ТЕПЛООБМЕННИКОВ ДЛЯ СИСТЕМ ОТОПЛЕНИЯ
Приготовление отопительной воды может происходить путем нагрева в теплообменнике.
При расчете пластинчатого теплообменника для получения отопительной воды, исходные данные берутся для самого холодного периода , т. е. когда необходимы самые высокие температуры и соответственно самое большое теплопотребление. Это наихудший режим для теплообменника, рассчитанного на отопление.
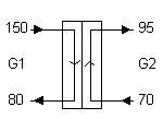
Особенностью расчета теплообменника для системы отопления является завышенная температура обратной воды по греющей стороне. Это допускается специально т. к. любой поверхностный теплообменник принципиально не может охладить обратную воду до температуры графика, если по нагреваемой стороне на вход в теплообменник поступает вода с температурой графика. Обычно допускается разница 5—15°С.
РАСЧЕТ ПЛАСТИНЧАТЫХ ТЕПЛООБМЕННИКОВ ДЛЯ СИСТЕМ ГВС
При расчете пластинчатых теплообменников для систем горячего водоснабжения исходные данные берутся для переходного периода , т. е. когда температура подающего теплоносителя низка (обычно 70°С), холодная вода имеет самую низкую температуру (2—5°С) и при этом еще работает система отопления — это май-сентябрь месяцы.
Это наихудший режим для теплообменника ГВС.

Расчетная нагрузка для систем ГВС определяется исходя из наличия на объекте, где устанавливаются теплообменники аккумуляторных баков.
При отсутствии баков расчет пластинчатых теплообменников производится на максимальную нагрузку. Т. е. теплообменники должны обеспечивать нагрев воды и при максимальном водоразборе.

При наличии аккумуляторных баков пластинчатые теплообменники рассчитываются на среднечасовую нагрузку. Аккумуляторные баки пополняются постоянно и компенсируют пиковый водоразбор. Теплообменники должны обеспечивать только подпитку баков.

Соотношение максимальной и среднечасовой нагрузок достигает в некоторых случаях 4—5 раз.
Похожие статьи