Цифровая трансформация ЖКХ: как «умные» сервисы меняют подход к обслуживанию жилых домов
Рост тарифов на ресурсы и повышение требований к качеству услуг со стороны жителей формируют новые вызовы для эксплуатирующих организаций. Подход к эксплуатации, основанный исключительно на ручном управлении и вмешательстве человека в технологический процесс, постепенно уступает место более современным решениям. Каждый час простоя теплового пункта в зимний период или неверная настройка автоматики оборачиваются не только жалобами жильцов, но и прямыми убытками.
Цифровизация процессов эксплуатации позволяет решать эти задачи.Однако сам подход к автоматизации может быть разным. Еще 5-7 лет назад стандартом были SCADA-системы с выделенными серверами и фиксированным АРМ-ом диспетчера. Сегодня на смену им приходят облачные платформы, которые меняют саму логику обслуживания.
Почему облако эффективнее традиционной SCADA (диспетчерское управление и сбор данных)?
Классические SCADA-системы (диспетчерское управление и сбор данных) решали базовые задачи диспетчеризации, но и создавали новые проблемы. Во-первых, это стоимость развертывания: покупка серверного оборудования, лицензий, организация выделенного канала связи, настройка рабочих мест. Во-вторых, масштабирование требовало повторения всех этих процедур для каждого нового объекта. В-третьих, доступ к данным был жестко привязан к диспетчерскому пункту и одной локальной сети — инженер на выезде не мог оперативно получить информацию по конкретному объекту без звонка в диспетчерскую.
Облачная платформа Cloud-Control от компании «Ридан» построена на принципиально иной архитектуре. Данные с тепловых пунктов поступают не на локальный сервер в подвале или офисе управляющей компании, а в защищенное облачное хранилище с резервированием. Это дает три преимущества:
- Доступность. Инженер видит параметры работы оборудования с любого устройства, будь то компьютер в офисе, планшет на объекте или смартфон. Для этого не нужно подключаться к определенной локальной сети, достаточно веб-браузера.
- Масштабируемость. Подключение нового здания занимает значительно меньше времени и ресурсов. Не нужно докупать серверные мощности, обновлять ПО или докупать теги — система готова принять любой объем данных. Достаточно прописать новый модем в системе.
- Безопасность. Использование облачных серверов значительно надёжнее локальных решений. При сбое локального сервера существует риск полной потери архивных данных — восстановление системы в таком случае требует практически запуска с нуля. В случае с Cloud-Control, за счет облачного хранилища в высокотехнологичных центров обработки данных (ЦОД), происходит многоуровневое резервирование, которое исключает длительные перебои в работе даже в случае кибератак.

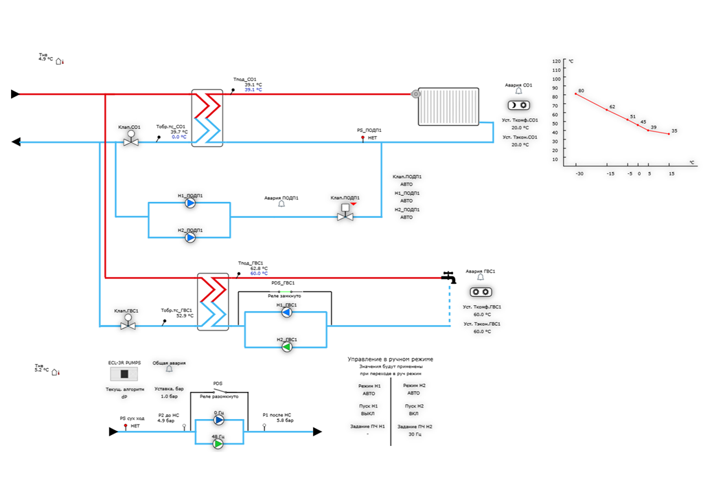
Рис. 1 Структурная схема Cloud-Control

Рис. 2 Мнемосхема оператора Cloud-Control
Экономика эксплуатации
Одни из главных статей расходов любой эксплуатирующей организации — содержание персонала и логистика. Выезд бригады для настройки оборудования, снятия показаний или устранения аварий может занимать несколько часов — особенно если дома распределены по разным районам. При этом большая часть таких выездов связана с мелкими неполадками, которые при наличии удалённого доступа можно устранить за пару минут.
Использование облачных решений, таких как система диспетчеризации Cloud-Control, разработанная инженерами Ридан, позволяет перестроить старый подход. Система берет на себя функцию постоянного мониторинга. Если где-то начинает падать давление или отклоняется температура теплоносителя от уставки, система классифицирует и локализует событие, дистанционно исправляет отклонения (корректировка уставки, изменение графика и т. п.). Критические аварии требуют выезда персонала, но уже с точным знанием проблемы и набором необходимого оборудования и инструментария.
Такой подход перераспределяет нагрузку: персонал занимается необходимым ремонтом, а не объездами для регулярных осмотров. По опыту внедрения подобных систем на жилых объектах, количество выездов снижается более чем на 50%, а плановое обслуживание становится более качественным.

Рис. 3 Структурная схема Digital Heat
Интеллектуальная экономия ресурсов: алгоритм Digital Heat
Помимо оптимизации затрат на эксплуатацию, предусмотрено решение для сокращения теплопотребления. Это интеллектуальный самообучаемый программно-аппаратный комплекс Digital Heat, представляющий из себя надстройку для Cloud-Control. Алгоритм учитывает динамические параметры: прогноз погоды, наружную температуру, тепловую инерцию здания, текущую температуру в помещениях и, основываясь на их изменении, регулирует подачу теплоносителя.

Рис. 4 Формула расчета математической модели Digital Heat

Рис. 5 Учитываемые параметры теплопотерь здания Digital Heat
На основе этих данных алгоритм автоматически подбирает график. Это позволяет учесть аккумуляционные способности здания, исключить перерасход теплоносителя в переходные периоды и смены режимов эксплуатации между «комфорт» и «эконом». Важно отметить, что максимальный экономический эффект от внедрения Digital Heat (Цифровое управление теплом) достигается на объектах с высокой тепловой нагрузкой и непостоянным режимом эксплуатации, в первую очередь — это:
- административные и офисные здания;
- торговые и бизнес-центры;
- производственные помещения;
- образовательные учреждения (школы, вузы, детские сады);
- режимные объекты с ограниченным доступом персонала.
Для таких зданий снижение теплопотребления составляет от 15% до 25% без потери качества отопления. В жилых домах эффект также присутствует, но менее выражен из-за специфики эксплуатации.
Новый стандарт обслуживания
Переход с классических SCADA (диспетчерское управление и сбор данных) или полного отсутствия автоматизации на облачную платформу Cloud-Control означает смену самой парадигмы эксплуатации. Вместо реактивного подхода «сломалось — починили» приходит проактивное управление: проблемы выявляются на ранней стадии, регулировка выполняется удаленно и точно, энергоресурсы расходуются эффективно, а внедрение системы не требует больших ресурсов.
Для объектов коммерческой и бюджетной сферы это прямая экономическая выгода. Для жилого фонда — повышение качества услуг и снижение аварийности. Облачная платформа Cloud-Control доказала свою эффективность на объектах разного масштаба и назначения, предлагая рынку не просто инструмент мониторинга, а полноценную цифровую среду управления инженерными системами зданий.
Похожие статьи