Теплообменник НН№04 ДУ 32 35-52 пластины
Теплообменник Ридан НН№04 (рама №2) — это разборный пластинчатый аппарат средней производительности с диаметром подключения 32 мм. Рассчитан на давление 1,6 МПа.
от ₽ 60 511.00
Цена без НДС Заказная позиция
- № рамы
- 2
- Количество пластин
- 35-52
- Температура рабочей среды, °С
- от -25 до +180
Подбор рекомендованного аналога
Заполните форму, и мы обязательно с Вами свяжемсяОсновное
Все характеристикиПредприятие обеспечивает полный производственный цикл, включая производство пластин, плит, элементов рам и других комплектующих. Локализация достигает 95%, мощность предприятия составляет более 20 тыс. изделий в год.
- № рамы
- 2
- Количество пластин
- 35-52
- Температура рабочей среды, °С
- от -25 до +180
- Расчетное давление, МПа
- 1,6
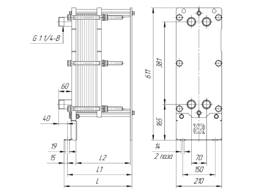
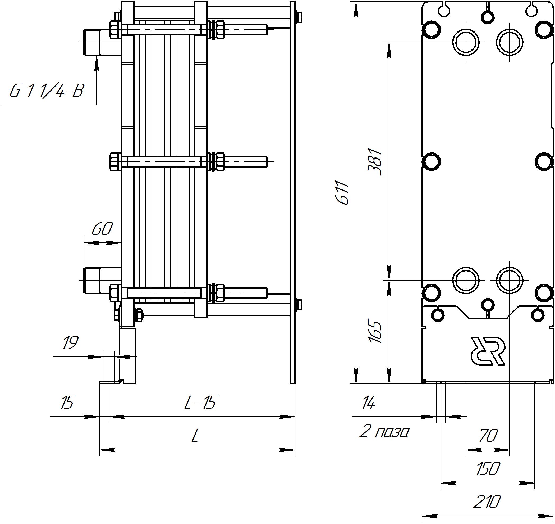
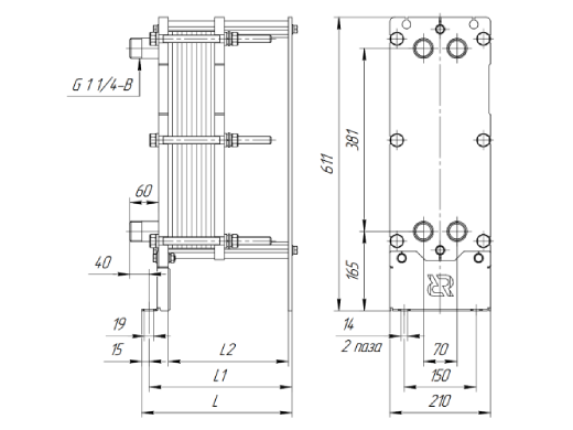
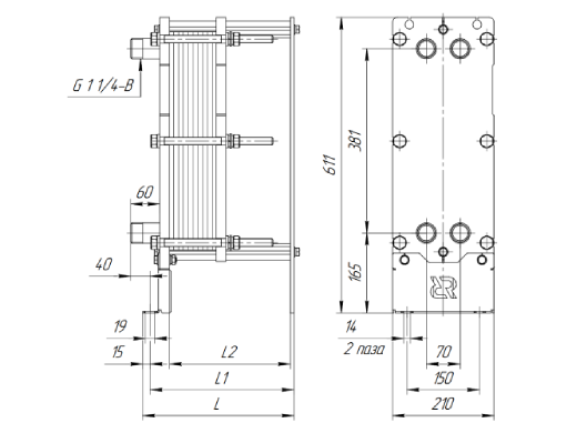
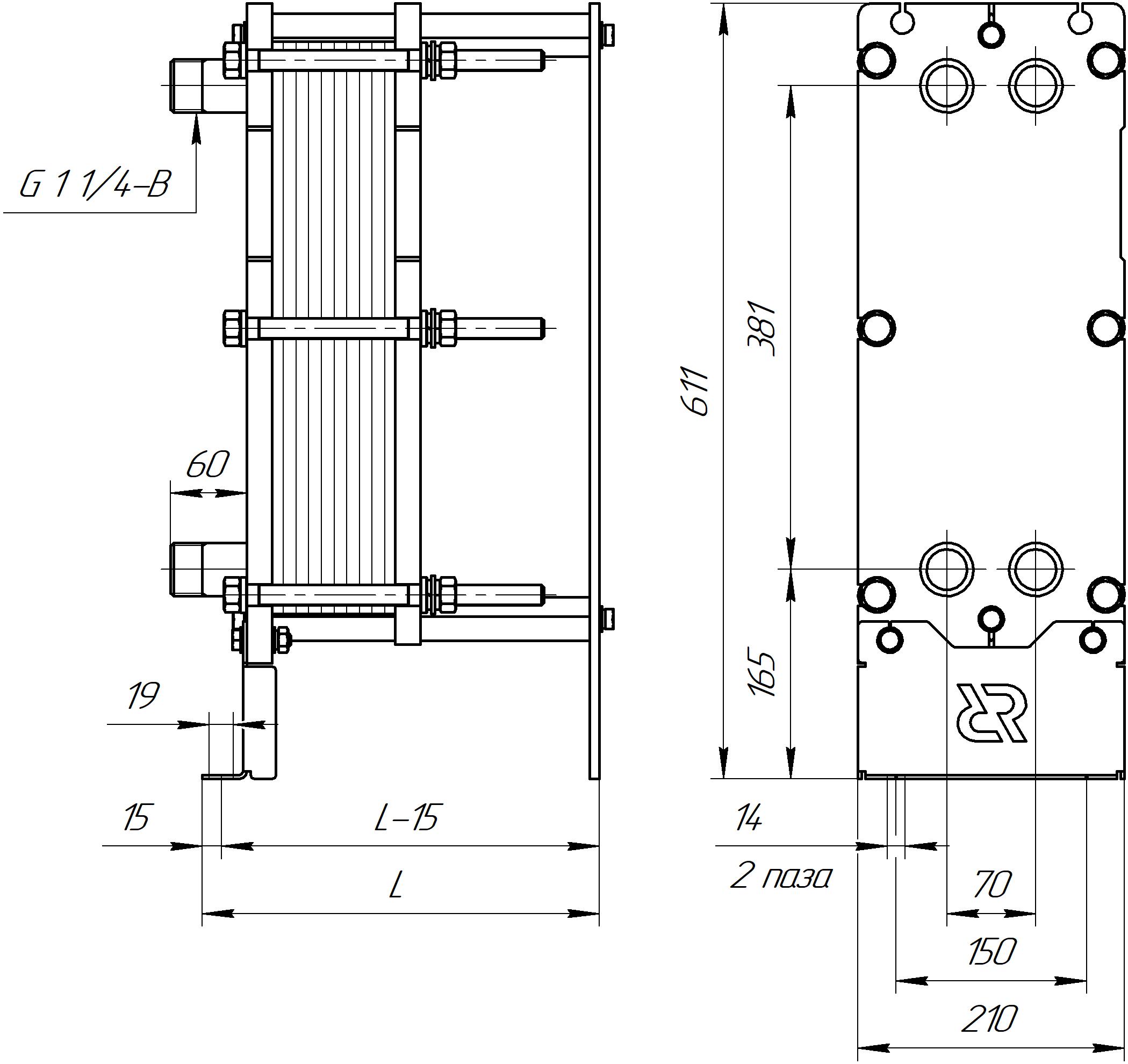
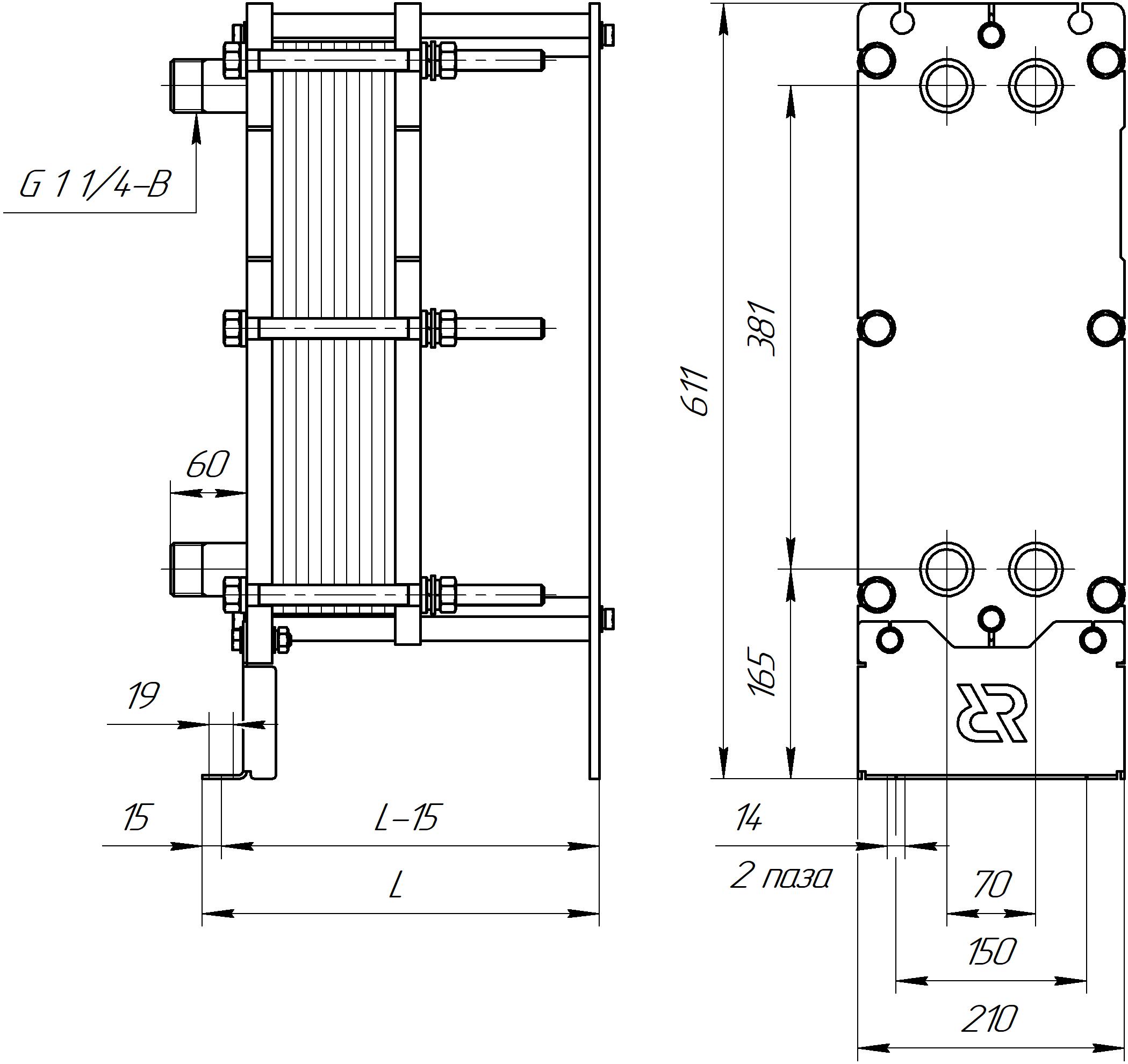
- Габаритные размеры (ШхВхГ), мм
- 210х611х393
- Макс. масса, кг
- 56
Обзор
Обзор- Расширенный диапазон: Количество пластин в пакете варьируется от 35 до 52, что позволяет достичь общей площади теплообмена до 2,1 м² (при площади одной пластины 0,042 м²).
- Надежное уплотнение (Hang-on): Герметичность обеспечивается прокладками с клипсовой фиксацией типа Hang-on. Принцип фиксации: клипса имеет Т-образные концы, которые заводятся за обратную сторону пластины. В отличие от клеевых соединений, такой клипсовый замок обеспечивает простую и быструю замену прокладок. Монтируется в специальные углубления по контуру пластины, а дополнительная надежность обеспечивается специальным ушком на Hang-on. Дополнительную герметичность обеспечивают уплотнения портов на неподвижной плите.
- Дополнительные опции:
- Возможность комплектации фитингами под приварку
- Возможность изготовление данного типоразмера с фланцами
- Возможность предусмотреть теплоизоляцию
Документы
Все документыРуководство
Руководство
Инструкция
Инструкция
2D Чертеж
2D Чертеж
3D Модель
3D Модель
BIM модель
BIM модель
Каталог
Каталог
Техническое описание
Техническое описание
- № рамы
- 2
- Количество пластин
- 35-52
- Температура рабочей среды, °С
- от -25 до +180
- Регулируемая среда (теплоноситель)
- вода, пар, углеводороды, кислоты, пищевые жидкости и другие
- Рабочее давление, бар изб.
- до 25
- Расчетное давление, МПа
- 1,6
- Материал пластин
- AISI 304, AISI 316L, SMO 254, Titan, C-276 и другие
- Материал прокладки
- EPDM, Nitril, Viton и их модификации
- Габаритные размеры (ШхВхГ), мм
- 210х611х393
- Макс. масса, кг
- 56
- Стяжные шпильки (размер)
- М16
- Стяжные шпильки (кол-во), шт
- 6
Руководство
Руководство
Инструкция
Инструкция
2D Чертеж
2D Чертеж
3D Модель
3D Модель
BIM модель
BIM модель
Каталог
Каталог
Техническое описание
Техническое описание
- Расширенный диапазон: Количество пластин в пакете варьируется от 35 до 52, что позволяет достичь общей площади теплообмена до 2,1 м² (при площади одной пластины 0,042 м²).
- Надежное уплотнение (Hang-on): Герметичность обеспечивается прокладками с клипсовой фиксацией типа Hang-on. Принцип фиксации: клипса имеет Т-образные концы, которые заводятся за обратную сторону пластины. В отличие от клеевых соединений, такой клипсовый замок обеспечивает простую и быструю замену прокладок. Монтируется в специальные углубления по контуру пластины, а дополнительная надежность обеспечивается специальным ушком на Hang-on. Дополнительную герметичность обеспечивают уплотнения портов на неподвижной плите.
- Дополнительные опции:
- Возможность комплектации фитингами под приварку
- Возможность изготовление данного типоразмера с фланцами
- Возможность предусмотреть теплоизоляцию
Товары серии
Сортировать по:
Название и артикул | № рамы | Количество пластин | Температура рабочей среды, °С | Расчетное давление, МПа | Габаритные размеры (ШхВхГ), мм | Макс. масса, кг | ||
|---|---|---|---|---|---|---|---|---|
Теплообменник НН№04 ДУ 32 5-34 пластины | 1 | 5-34 | от -25 до +180 | 1,6 | 210х611х313 | 50 | ||
₽ 31 885.00 Заказная позиция | ||||||||
Теплообменник НН№04 ДУ 32 35-52 пластины | 2 | 35-52 | от -25 до +180 | 1,6 | 210х611х393 | 56 | ||
₽ 60 511.00 Заказная позиция | ||||||||
Теплообменник НН№04 ДУ 32 53-90 пластины | 3 | 53-90 | от -25 до +180 | 1,6 | 210х611х563 | 70 | ||
₽ 75 367.00 Заказная позиция | ||||||||

