Теплообменник НН№21 ДУ 100 179-232 пластин 1,6 МПа
Теплообменник Ридан НН№21 (рама №4) — это высокопроизводительный разборный пластинчатый аппарат с диаметром присоединения Ду 100 мм на рабочее давление 1,6 МПа. Предназначен для систем с высокими требованиями к тепловой мощности.
- № рамы
- 4
- Количество пластин
- 179-232
- Температура рабочей среды, °С
- от -25 до +180
Подбор рекомендованного аналога
Заполните форму, и мы обязательно с Вами свяжемсяОсновное
Все характеристикиПредприятие обеспечивает полный производственный цикл, включая производство пластин, плит, элементов рам и других комплектующих. Локализация достигает 95%, мощность предприятия составляет более 20 тыс. изделий в год.
- № рамы
- 4
- Количество пластин
- 179-232
- Температура рабочей среды, °С
- от -25 до +180
- Расчетное давление, МПа
- 1,6
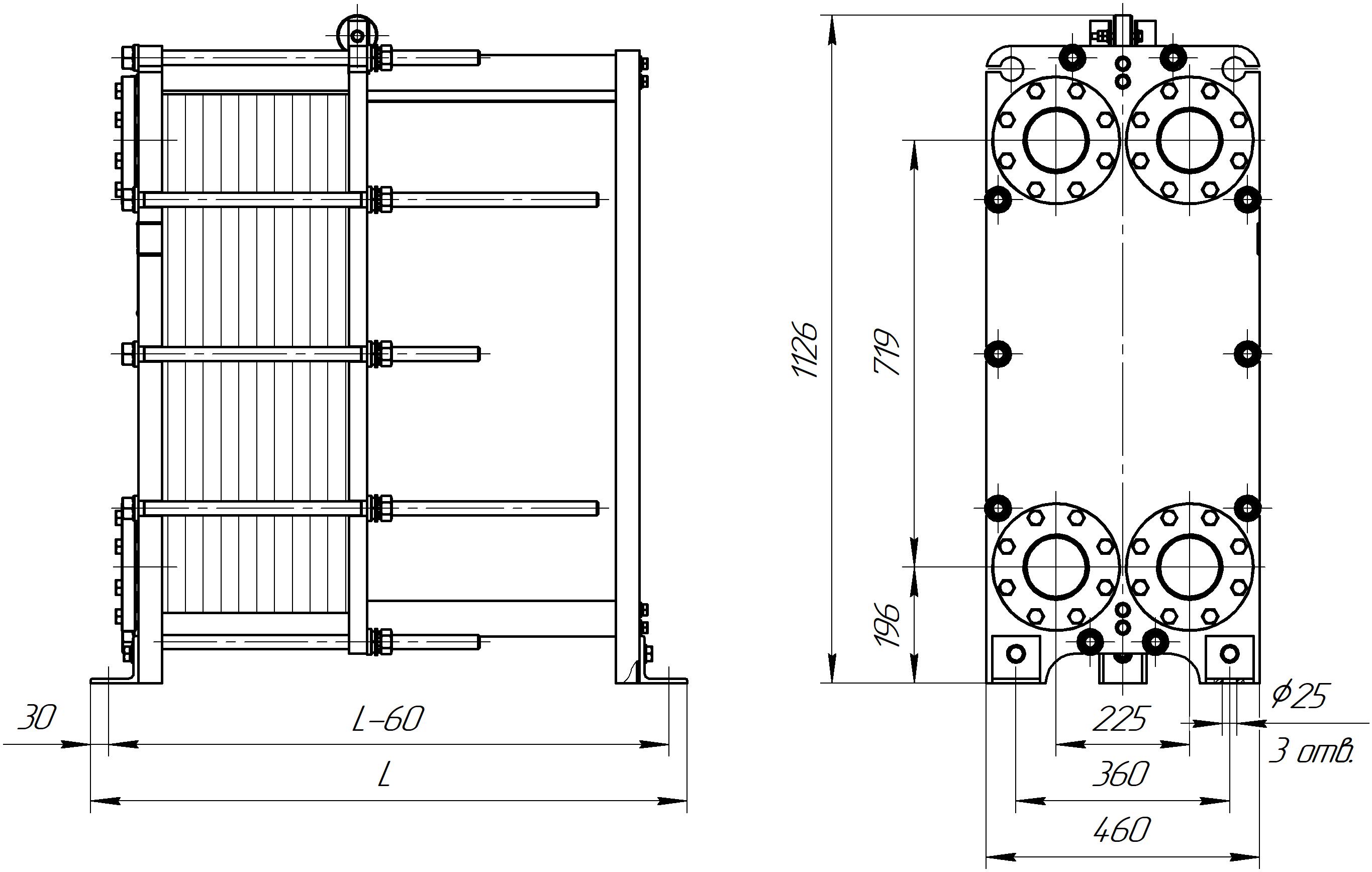
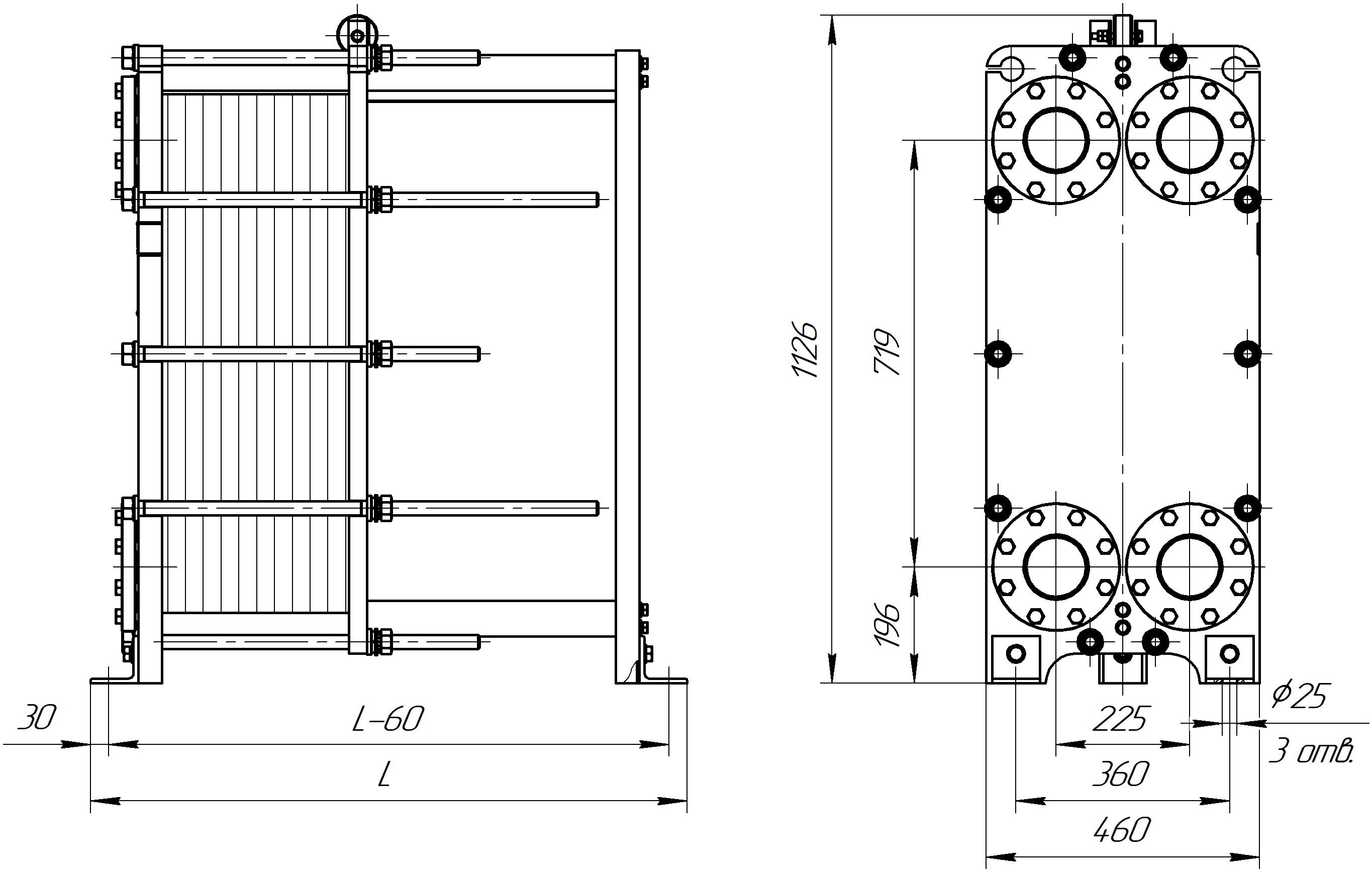
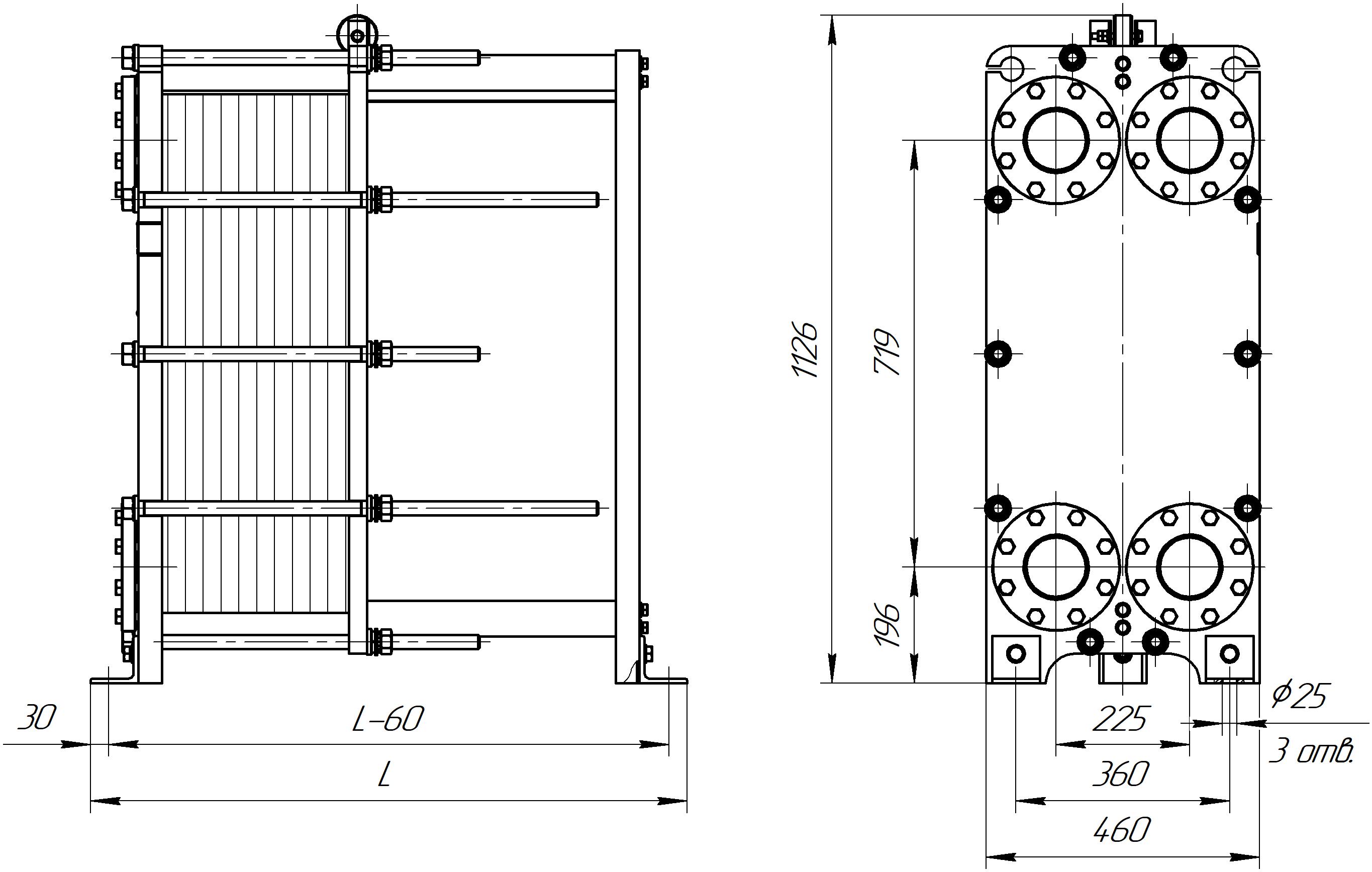
- Габаритные размеры (ШхВхГ), мм
- 460х1126х1705
- Макс. масса, кг
- 735
Обзор
Обзор- Параметры теплообмена: Аппарат комплектуется большим пакетом пластин — от 179 до 232 штук. Эффективная площадь теплообмена достигает 64,4 м², обеспечивая высокую производительность.
- Типы каналов: Доступны пластины с типами каналов ТК, ТМ, TL и их комбинациями (TKTM, TMTL, TKTL), что позволяет точно подобрать теплообменник под параметры системы.
- Конструктивные особенности: Конструкция рамы №4 рассчитана на длительную эксплуатацию с большими пакетами пластин под высоким давлением.
- Надежное уплотнение (вариативность):
- Тип Hang-on: Надежное уплотнение по технологии Hang-on обеспечивает идеальную герметичность. Прокладки фиксируются без клея с помощью Т-образных клипс, что гарантирует простой монтаж и быструю замену. Дополнительная защита от протечек достигается за счет специального ушка, делая конструкцию долговечной и практичной в обслуживании.
Тип SonderLock: Уплотнение монтируется в специальные углубления по контуру пластин и фиксируется зажимом (клипсой). SonderLock — это клипса без ушка, чья фиксация основана на защёлкивании: клипса вставляется в паз на самой пластине и надёжно фиксируется до щелчка.
Дополнительную герметичность в обоих случаях обеспечивают уплотнения портов на неподвижной плите. - Дополнительные опции: Теплоизоляцией для снижения тепловых потерь.
Документы
Все документы- № рамы
- 4
- Количество пластин
- 179-232
- Температура рабочей среды, °С
- от -25 до +180
- Регулируемая среда (теплоноситель)
- вода, пар, углеводороды, кислоты, пищевые жидкости и другие
- Макс. рабочее давление, бар изб.
- до 25
- Расчетное давление, МПа
- 1,6
- Материал пластин
- AISI 304, AISI 316L, SMO 254, Titan, C-276 и другие
- Материал прокладки
- EPDM, Nitril, Viton и их модификации
- Габаритные размеры (ШхВхГ), мм
- 460х1126х1705
- Макс. масса, кг
- 735
- Стяжные шпильки (размер)
- М24
- Стяжные шпильки (кол-во), шт
- 10
- Параметры теплообмена: Аппарат комплектуется большим пакетом пластин — от 179 до 232 штук. Эффективная площадь теплообмена достигает 64,4 м², обеспечивая высокую производительность.
- Типы каналов: Доступны пластины с типами каналов ТК, ТМ, TL и их комбинациями (TKTM, TMTL, TKTL), что позволяет точно подобрать теплообменник под параметры системы.
- Конструктивные особенности: Конструкция рамы №4 рассчитана на длительную эксплуатацию с большими пакетами пластин под высоким давлением.
- Надежное уплотнение (вариативность):
- Тип Hang-on: Надежное уплотнение по технологии Hang-on обеспечивает идеальную герметичность. Прокладки фиксируются без клея с помощью Т-образных клипс, что гарантирует простой монтаж и быструю замену. Дополнительная защита от протечек достигается за счет специального ушка, делая конструкцию долговечной и практичной в обслуживании.
Тип SonderLock: Уплотнение монтируется в специальные углубления по контуру пластин и фиксируется зажимом (клипсой). SonderLock — это клипса без ушка, чья фиксация основана на защёлкивании: клипса вставляется в паз на самой пластине и надёжно фиксируется до щелчка.
Дополнительную герметичность в обоих случаях обеспечивают уплотнения портов на неподвижной плите. - Дополнительные опции: Теплоизоляцией для снижения тепловых потерь.
Товары серии
Название и артикул | № рамы | Количество пластин | Температура рабочей среды, °С | Расчетное давление, МПа | Габаритные размеры (ШхВхГ), мм | Макс. масса, кг | ||
|---|---|---|---|---|---|---|---|---|
Теплообменник НН№21 ДУ 100 11-50 пластин 1,0 МПа | 1 | 11-50 | от -25 до +180 | 1,0 | 460х1126х700 | 320 | ||
₽ 127 766.00 Заказная позиция | ||||||||
Теплообменник НН№21 ДУ 100 11-50 пластин 1,6 МПа | 1 | 11-50 | от -25 до +180 | 1,6 | 460х1126х705 | 380 | ||
₽ 146 722.00 Заказная позиция | ||||||||
Теплообменник НН№21 ДУ 100 51-105 пластин 1,0 МПа | 2 | 51-105 | от -25 до +180 | 1,0 | 460х1126х1000 | 410 | ||
₽ 249 995.00 Заказная позиция | ||||||||
Теплообменник НН№21 ДУ 100 51-105 пластин 1,6 МПа | 2 | 51-105 | от -25 до +180 | 1,6 | 460х1126х1005 | 485 | ||
₽ 283 255.00 Заказная позиция | ||||||||
Теплообменник НН№21 ДУ 100 106-178 пластин 1,0 МПа | 3 | 106-178 | от -25 до +180 | 1,0 | 460х1126х1400 | 535 | ||
₽ 418 247.00 Заказная позиция | ||||||||
Теплообменник НН№21 ДУ 100 106-178 пластин 1,6 МПа | 3 | 106-178 | от -25 до +180 | 1,6 | 460х1126х1405 | 630 | ||
₽ 471 175.00 Заказная позиция | ||||||||
Теплообменник НН№21 ДУ 100 179-232 пластин 1,0 МПа | 4 | 179-232 | от -25 до +180 | 1,0 | 460х1126х1700 | 625 | ||
₽ 644 992.00 Заказная позиция | ||||||||
Теплообменник НН№21 ДУ 100 179-232 пластин 1,6 МПа | 4 | 179-232 | от -25 до +180 | 1,6 | 460х1126х1705 | 735 | ||
₽ 724 024.00 Заказная позиция | ||||||||
Теплообменник НН№21 ДУ 100 233-300 пластин 1,0 МПа | 5 | 233-300 | от -25 до +180 | 1,0 | 460х1126х2200 | 680 | ||
₽ 811 745.00 Заказная позиция | ||||||||
Теплообменник НН№21 ДУ 100 233-300 пластин 1,6 МПа | 5 | 233-300 | от -25 до +180 | 1,6 | 460х1126х2205 | 800 | ||
₽ 910 087.00 Заказная позиция | ||||||||

