Теплообменник НН№19 ДУ 65 36-54 пластины 1,0 МПа
Теплообменник Ридан НН№19 (рама №3) — это разборный пластинчатый аппарат с условным проходом Ду 65 мм. Аппарат рассчитан на рабочее давление 1,0 МПа.
- № рамы
- 3
- Количество пластин
- 36-54
- Температура рабочей среды, °С
- от -25 до +180
Подбор рекомендованного аналога
Заполните форму, и мы обязательно с Вами свяжемсяОсновное
Все характеристикиПредприятие обеспечивает полный производственный цикл, включая производство пластин, плит, элементов рам и других комплектующих. Локализация достигает 95%, мощность предприятия составляет более 20 тыс. изделий в год.
- № рамы
- 3
- Количество пластин
- 36-54
- Температура рабочей среды, °С
- от -25 до +180
- Расчетное давление, МПа
- 1,0
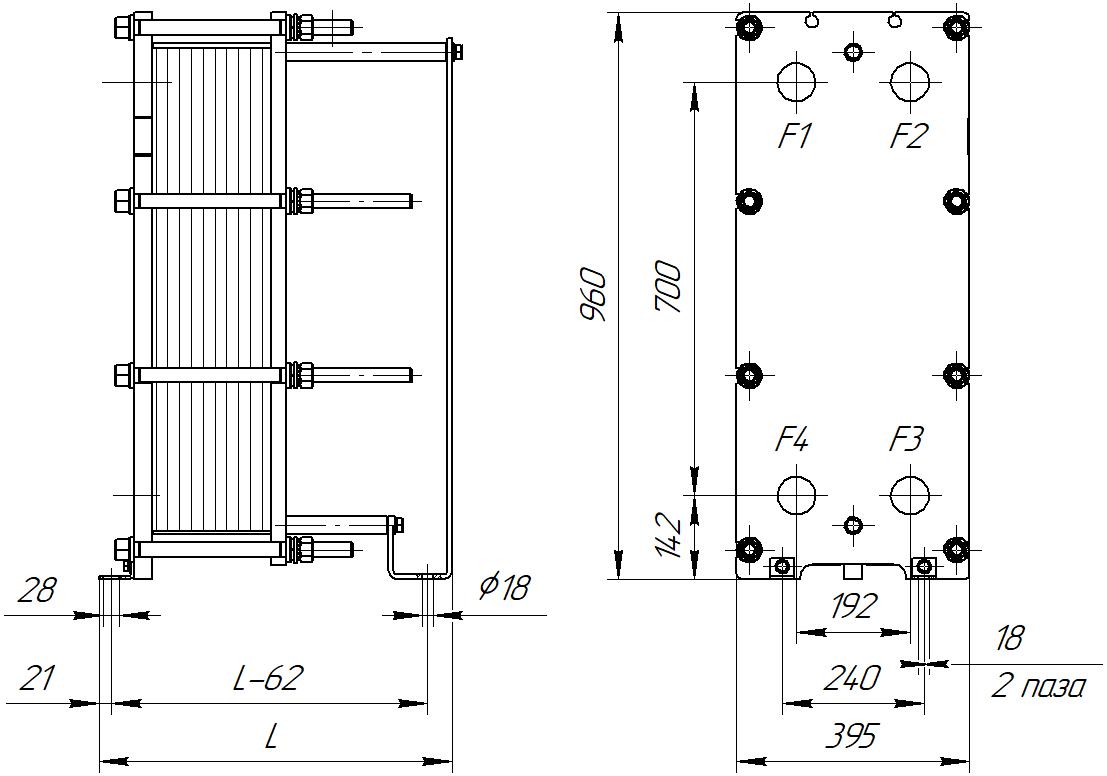
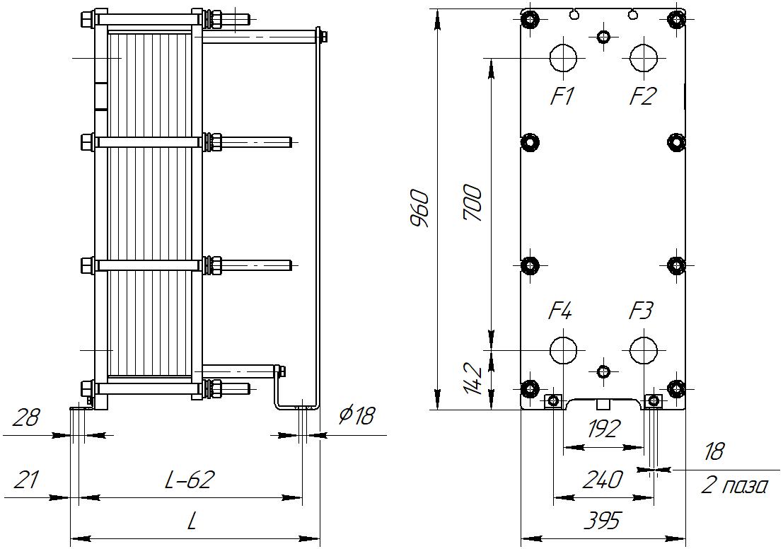
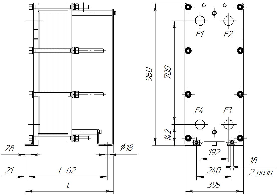
- Габаритные размеры (ШхВхГ), мм
- 395х960х493
- Макс. масса, кг
- 215/250
Обзор
Обзор- Конфигурация пластин: Количество пластин в пакете составляет от 36 до 54 штук. При площади одной пластины 0,216 м², максимальная площадь теплообмена аппарата составляет 11,23 м².
- Типы каналов: Возможность комбинации каналов ТК, ТМ, TL и других.
- Конструктивные особенности: Модель характеризуется габаритными размерами 395х960х493 мм и массой массой 215/250 кг (общепромышленное/ специальное исполнение).
- Надежное уплотнение (Hang-on):
Надежное уплотнение по технологии Hang-on обеспечивает идеальную герметичность. Прокладки фиксируются без клея с помощью Т-образных клипс, что гарантирует простой монтаж и быструю замену. Дополнительная защита от протечек достигается за счет специального ушка и уплотнений портов, делая конструкцию долговечной и практичной в обслуживании. - Дополнительные опции: Возможна комплектация теплоизоляцией для снижения тепловых потерь.
Документы
Все документы- № рамы
- 3
- Количество пластин
- 36-54
- Температура рабочей среды, °С
- от -25 до +180
- Регулируемая среда (теплоноситель)
- вода, пар, углеводороды, кислоты, пищевые жидкости и другие
- Макс. рабочее давление, бар изб.
- до 25
- Расчетное давление, МПа
- 1,0
- Материал пластин
- AISI 304, AISI 316L, SMO 254, Titan, C-276 и другие
- Материал прокладки
- EPDM, Nitril, Viton и их модификации
- Габаритные размеры (ШхВхГ), мм
- 395х960х493
- Макс. масса, кг
- 215/250
- Стяжные шпильки (размер)
- М20
- Стяжные шпильки (кол-во), шт
- 8
- Конфигурация пластин: Количество пластин в пакете составляет от 36 до 54 штук. При площади одной пластины 0,216 м², максимальная площадь теплообмена аппарата составляет 11,23 м².
- Типы каналов: Возможность комбинации каналов ТК, ТМ, TL и других.
- Конструктивные особенности: Модель характеризуется габаритными размерами 395х960х493 мм и массой массой 215/250 кг (общепромышленное/ специальное исполнение).
- Надежное уплотнение (Hang-on):
Надежное уплотнение по технологии Hang-on обеспечивает идеальную герметичность. Прокладки фиксируются без клея с помощью Т-образных клипс, что гарантирует простой монтаж и быструю замену. Дополнительная защита от протечек достигается за счет специального ушка и уплотнений портов, делая конструкцию долговечной и практичной в обслуживании. - Дополнительные опции: Возможна комплектация теплоизоляцией для снижения тепловых потерь.
Товары серии
Название и артикул | № рамы | Количество пластин | Температура рабочей среды, °С | Расчетное давление, МПа | Габаритные размеры (ШхВхГ), мм | Макс. масса, кг | ||
|---|---|---|---|---|---|---|---|---|
Теплообменник НН№19 ДУ 65 10-22 пластин 1,0 МПа | 1 | 10-22 | от -25 до +180 | 1,0 | 395х960х293 | 175/210 | ||
₽ 72 025.00 Заказная позиция | ||||||||
Теплообменник НН№19 ДУ 65 10-22 пластин 1,6 МПа | 1 | 10-22 | от -25 до +180 | 1,6 | 395х960х298 | 175/210 | ||
₽ 86 326.00 Заказная позиция | ||||||||
Теплообменник НН№19 ДУ 65 23-35 пластин 1,0 МПа | 2 | 23-35 | от -25 до +180 | 1,0 | 395х960х393 | 190/225 | ||
₽ 95 174.00 Заказная позиция | ||||||||
Теплообменник НН№19 ДУ 65 23-35 пластин 1,6 МПа | 2 | 23-35 | от -25 до +180 | 1,6 | 395х960х398 | 190/225 | ||
₽ 115 636.00 Заказная позиция | ||||||||
Теплообменник НН№19 ДУ 65 36-54 пластины 1,0 МПа | 3 | 36-54 | от -25 до +180 | 1,0 | 395х960х493 | 215/250 | ||
₽ 118 440.00 Заказная позиция | ||||||||
Теплообменник НН№19 ДУ 65 36-54 пластины 1,6 МПа | 3 | 36-54 | от -25 до +180 | 1,6 | 395х960х498 | 215/250 | ||
₽ 145 157.00 Заказная позиция | ||||||||
Теплообменник НН№19 ДУ 65 55-75 пластин 1,0 МПа | 4 | 55-75 | от -25 до +180 | 1,0 | 395х960х593 | 245/280 | ||
₽ 152 615.00 Заказная позиция | ||||||||
Теплообменник НН№19 ДУ 65 55-75 пластин 1,6 МПа | 4 | 55-75 | от -25 до +180 | 1,6 | 395х960х598 | 245/280 | ||
₽ 188 447.00 Заказная позиция | ||||||||
Теплообменник НН№19 ДУ 65 76-105 пластин 1,0 МПа | 5 | 76-105 | от -25 до +180 | 1,0 | 395х960х693 | 280/315 | ||
₽ 190 687.00 Заказная позиция | ||||||||
Теплообменник НН№19 ДУ 65 76-105 пластин 1,6 МПа | 5 | 76-105 | от -25 до +180 | 1,6 | 395х960х698 | 280/315 | ||
₽ 236 670.00 Заказная позиция | ||||||||
Теплообменник НН№19 ДУ 65 106-155 пластин 1,0 МПа | 6 | 106-155 | от -25 до +180 | 1,0 | 395х960х893 | 340/380 | ||
₽ 245 688.00 Заказная позиция | ||||||||
Теплообменник НН№19 ДУ 65 106-155 пластин 1,6 МПа | 6 | 106-155 | от -25 до +180 | 1,6 | 395х960х898 | 340/380 | ||
₽ 305 407.00 Заказная позиция | ||||||||
Теплообменник НН№19 ДУ 65 156-255 пластин 1,0 МПа | 7 | 156-255 | от -25 до +180 | 1,0 | 395х960х1393 | 465/510 | ||
₽ 341 815.00 Заказная позиция | ||||||||
Теплообменник НН№19 ДУ 65 156-255 пластин 1,6 МПа | 7 | 156-255 | от -25 до +180 | 1,6 | 395х960х1398 | 465/510 | ||
₽ 351 421.00 Заказная позиция | ||||||||

