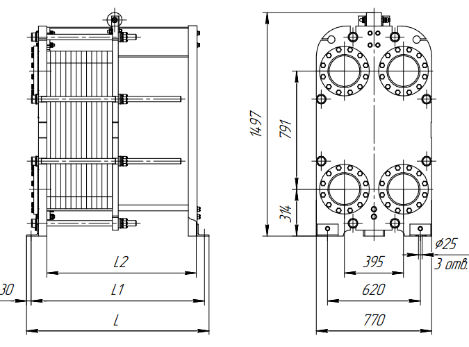
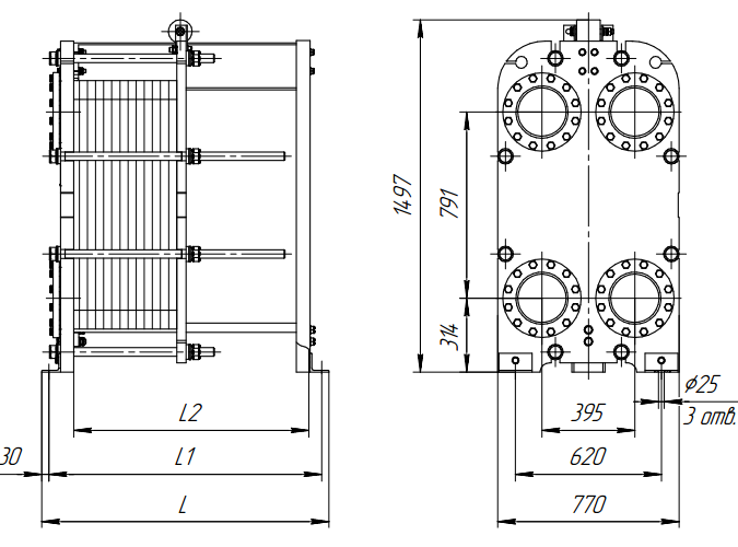
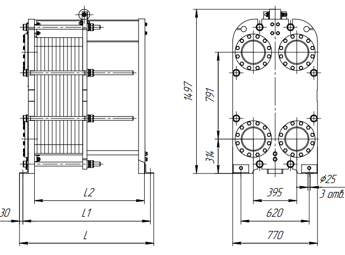
Теплообменник НН№43 ДУ 200 56-125 пластин 1,6 МПа
Теплообменник Ридан НН№43 (рама №2) — это разборный пластинчатый аппарат с диаметром присоединения Ду 200 мм. Модель предназначена для средних нагрузок и рассчитана на устойчивую работу при давлении до 1,6 МПа.
- № рамы
- 2
- Количество пластин
- 56-125
- Температура рабочей среды, °С
- от -25 до +180
Подбор рекомендованного аналога
Заполните форму, и мы обязательно с Вами свяжемсяОсновное
Все характеристикиПредприятие обеспечивает полный производственный цикл, включая производство пластин, плит, элементов рам и других комплектующих. Локализация достигает 95%, мощность предприятия составляет более 20 тыс. изделий в год.
- № рамы
- 2
- Количество пластин
- 56-125
- Температура рабочей среды, °С
- от -25 до +180
- Расчетное давление, МПа
- 1,6
- Габаритные размеры (ШхВхГ), мм
- 770х1497х1235
- Макс. масса, кг
- 1550
Обзор
Обзор- Гибкая конфигурация: Конфигурация теплообменника предусматривает установку от 56 до 125 пластин, что позволяет достигать общей площади теплообмена до 64,94 м². Данный диапазон обеспечивает гибкость при подборе оборудования под конкретные технологические требования.
- Типы каналов: Для точной настройки рабочих параметров системы аппарат может комплектоваться пластинами с типами каналов ТК, ТМ, TL, а также их комбинированными вариантами (TKTM, TMTL, TKTL).
- Конструктивные особенности: Модель отличается компактными размерами и минимальным весом в своей линейке оборудования.
- Надежное уплотнение:
- Тип SonderLock: Конструкция предусматривает использование прогрессивной системы фиксации уплотнительных элементов. Монтаж осуществляется путем установки уплотнений в специальные профилированные пазы по контуру пластин с последующей фиксацией запатентованной клипсой. Особенностью системы является безушковая конструкция крепежного элемента, который фиксируется по принципу защелкивания. При правильной установке клипса вставляется в монтажный паз пластины и надежно закрепляется с характерным щелчком, обеспечивая визуальный и тактильный контроль качества монтажа. Дополнительную герметичность системы гарантируют уплотнительные элементы портов, расположенные на неподвижной плите аппарата.
- Дополнительные опции: Предусмотрена возможность оснащения оборудования теплоизоляционными материалами для снижения энергопотерь..
Документы
Все документы- № рамы
- 2
- Количество пластин
- 56-125
- Температура рабочей среды, °С
- от -25 до +180
- Регулируемая среда (теплоноситель)
- вода, пар, углеводороды, кислоты, пищевые жидкости и другие
- Рабочее давление, бар изб.
- до 25
- Расчетное давление, МПа
- 1,6
- Материал пластин
- AISI 304, AISI 316L, SMO 254, Titan, C-276 и другие
- Материал прокладки
- EPDM, Nitril, Viton и их модификации
- Габаритные размеры (ШхВхГ), мм
- 770х1497х1235
- Макс. масса, кг
- 1550
- Стяжные шпильки (размер)
- М36
- Стяжные шпильки (кол-во), шт
- 8
- Гибкая конфигурация: Конфигурация теплообменника предусматривает установку от 56 до 125 пластин, что позволяет достигать общей площади теплообмена до 64,94 м². Данный диапазон обеспечивает гибкость при подборе оборудования под конкретные технологические требования.
- Типы каналов: Для точной настройки рабочих параметров системы аппарат может комплектоваться пластинами с типами каналов ТК, ТМ, TL, а также их комбинированными вариантами (TKTM, TMTL, TKTL).
- Конструктивные особенности: Модель отличается компактными размерами и минимальным весом в своей линейке оборудования.
- Надежное уплотнение:
- Тип SonderLock: Конструкция предусматривает использование прогрессивной системы фиксации уплотнительных элементов. Монтаж осуществляется путем установки уплотнений в специальные профилированные пазы по контуру пластин с последующей фиксацией запатентованной клипсой. Особенностью системы является безушковая конструкция крепежного элемента, который фиксируется по принципу защелкивания. При правильной установке клипса вставляется в монтажный паз пластины и надежно закрепляется с характерным щелчком, обеспечивая визуальный и тактильный контроль качества монтажа. Дополнительную герметичность системы гарантируют уплотнительные элементы портов, расположенные на неподвижной плите аппарата.
- Дополнительные опции: Предусмотрена возможность оснащения оборудования теплоизоляционными материалами для снижения энергопотерь..
Товары серии
Название и артикул | № рамы | Количество пластин | Температура рабочей среды, °С | Расчетное давление, МПа | Габаритные размеры (ШхВхГ), мм | Макс. масса, кг | ||
|---|---|---|---|---|---|---|---|---|
Теплообменник НН№43 ДУ 200 11-55 пластин 1,0 МПа | 1 | 11-55 | от -25 до +180 | 1,0 | 770х1497х815 | 945 | ||
₽ 364 286.00 Заказная позиция | ||||||||
Теплообменник НН№43 ДУ 200 11-55 пластин 1,6 МПа | 1 | 11-55 | от -25 до +180 | 1,6 | 770х1497х835 | 1280 | ||
₽ 608 296.00 Заказная позиция | ||||||||
Теплообменник НН№43 ДУ 200 56-125 пластин 1,0 МПа | 2 | 56-125 | от -25 до +180 | 1,0 | 770х1497х1215 | 1180 | ||
₽ 674 226.00 Заказная позиция | ||||||||
Теплообменник НН№43 ДУ 200 56-125 пластин 1,6 МПа | 2 | 56-125 | от -25 до +180 | 1,6 | 770х1497х1235 | 1550 | ||
₽ 918 237.00 Заказная позиция | ||||||||
Теплообменник НН№43 ДУ 200 126-215 пластин 1,0 МПа | 3 | 126-215 | от -25 до +180 | 1,0 | 770х1497х1715 | 1490 | ||
₽ 1 163 607.00 Заказная позиция | ||||||||
Теплообменник НН№43 ДУ 200 126-215 пластин 1,6 МПа | 3 | 126-215 | от -25 до +180 | 1,6 | 770х1497х1735 | 1910 | ||
₽ 1 407 617.00 Заказная позиция | ||||||||
Теплообменник НН№43 ДУ 200 216-305 пластин 1,0 МПа | 4 | 216-305 | от -25 до +180 | 1,0 | 770х1497х2215 | 1800 | ||
₽ 1 807 074.00 Заказная позиция | ||||||||
Теплообменник НН№43 ДУ 200 216-305 пластин 1,6 МПа | 4 | 216-305 | от -25 до +180 | 1,6 | 770х1497х2235 | 2270 | ||
₽ 2 051 085.00 Заказная позиция | ||||||||
Теплообменник НН№43 ДУ 200 306-395 пластин 1,0 МПа | 5 | 306-395 | от -25 до +180 | 1,0 | 770х1497х2715 | 2110 | ||
₽ 2 427 131.00 Заказная позиция | ||||||||
Теплообменник НН№43 ДУ 200 306-395 пластин 1,6 МПа | 5 | 306-395 | от -25 до +180 | 1,6 | 770х1497х2735 | 2630 | ||
₽ 2 671 142.00 Заказная позиция | ||||||||
Теплообменник НН№43 ДУ 200 396-485 пластин 1,0 МПа | 6 | 396-485 | от -25 до +180 | 1,0 | 770х1497х3215 | 2420 | ||
₽ 3 071 431.00 Заказная позиция | ||||||||
Теплообменник НН№43 ДУ 200 396-485 пластин 1,6 МПа | 6 | 396-485 | от -25 до +180 | 1,6 | 770х1497х3235 | 2990 | ||
₽ 3 315 441.00 Заказная позиция | ||||||||
Теплообменник НН№43 ДУ 200 486-665 пластин 1,0 МПа | 7 | 486-665 | от -25 до +180 | 1,0 | 770х1497х4215 | 2520 | ||
₽ 3 768 025.00 Заказная позиция | ||||||||
Теплообменник НН№43 ДУ 200 486-665 пластин 1,6 МПа | 7 | 486-665 | от -25 до +180 | 1,6 | 770х1497х4235 | 3700 | ||
₽ 4 012 036.00 Заказная позиция | ||||||||

