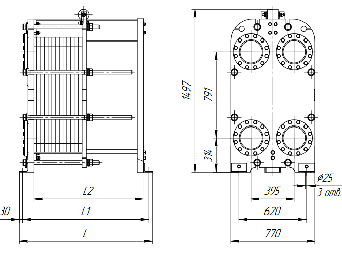
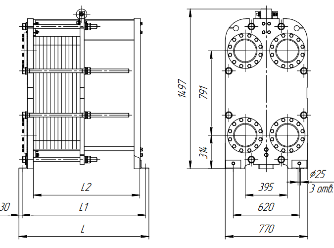
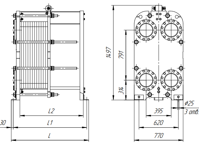
Теплообменник НН№43 ДУ 200 216-305 пластин 1,6 МПа
Теплообменник Ридан НН№43 на раме №4 — это мощный разборный пластинчатый аппарат с присоединительным диаметром Ду 200 мм, рассчитанный на повышенное рабочее давление до 1,6 МПа. Предназначен для комплектации крупными пакетами пластин от 200 до 305 штук, что позволяет достигать площади теплообмена до 159,98 м².
- № рамы
- 4
- Количество пластин
- 216-305
- Температура рабочей среды, °С
- от -25 до +180
Подбор рекомендованного аналога
Заполните форму, и мы обязательно с Вами свяжемсяОсновное
Все характеристикиПредприятие обеспечивает полный производственный цикл, включая производство пластин, плит, элементов рам и других комплектующих. Локализация достигает 95%, мощность предприятия составляет более 20 тыс. изделий в год.
- № рамы
- 4
- Количество пластин
- 216-305
- Температура рабочей среды, °С
- от -25 до +180
- Расчетное давление, МПа
- 1,6
- Габаритные размеры (ШхВхГ), мм
- 770х1497х2235
- Макс. масса, кг
- 2270
Обзор
Обзор- Параметры теплообмена: Аппарат комплектуется пакетом пластин в диапазоне 216-305 единиц, что обеспечивает эффективную площадь теплообмена до 159,98 м². Данный показатель позволяет использовать оборудование в высокопроизводительных системах с повышенными требованиями к теплопередаче.
- Типы каналов: Для точной настройки рабочих характеристик доступны пластины с типами каналов ТК, ТМ, TL, а также их комбинированные варианты (TKTM, TMTL, TKTL), что обеспечивает оптимальное согласование параметров теплообменника с технологическими требованиями системы.
- Конструктивные особенности: Модель имеет габаритные размеры 770×1497×2235 мм и массу 2270 кг.
- Надежное уплотнение:
- Тип SonderLock: Конструкция предусматривает применение инновационной системы герметизации. Уплотнительные элементы монтируются в специальные профилированные пазы, выполненные по контуру пластин, с последующей фиксацией при помощи запатентованной клипсы. Особенностью системы является использование клипсы без монтажного ушка, которая фиксируется по принципу защелкивания. В процессе установки крепежный элемент позиционируется в пазу пластины и надежно закрепляется до характерного щелчка, обеспечивая визуальный и тактильный контроль качества монтажа. Дополнительный уровень герметичности создается за счет уплотнительных элементов портов, расположенных на неподвижной плите теплообменника.
- Дополнительные опции: Возможна комплектация теплоизоляцией для снижения тепловых потерь.
Документы
Все документы- № рамы
- 4
- Количество пластин
- 216-305
- Температура рабочей среды, °С
- от -25 до +180
- Регулируемая среда (теплоноситель)
- вода, пар, углеводороды, кислоты, пищевые жидкости и другие
- Рабочее давление, бар изб.
- до 25
- Расчетное давление, МПа
- 1,6
- Материал пластин
- AISI 304, AISI 316L, SMO 254, Titan, C-276 и другие
- Материал прокладки
- EPDM, Nitril, Viton и их модификации
- Габаритные размеры (ШхВхГ), мм
- 770х1497х2235
- Макс. масса, кг
- 2270
- Стяжные шпильки (размер)
- М36
- Стяжные шпильки (кол-во), шт
- 8
- Параметры теплообмена: Аппарат комплектуется пакетом пластин в диапазоне 216-305 единиц, что обеспечивает эффективную площадь теплообмена до 159,98 м². Данный показатель позволяет использовать оборудование в высокопроизводительных системах с повышенными требованиями к теплопередаче.
- Типы каналов: Для точной настройки рабочих характеристик доступны пластины с типами каналов ТК, ТМ, TL, а также их комбинированные варианты (TKTM, TMTL, TKTL), что обеспечивает оптимальное согласование параметров теплообменника с технологическими требованиями системы.
- Конструктивные особенности: Модель имеет габаритные размеры 770×1497×2235 мм и массу 2270 кг.
- Надежное уплотнение:
- Тип SonderLock: Конструкция предусматривает применение инновационной системы герметизации. Уплотнительные элементы монтируются в специальные профилированные пазы, выполненные по контуру пластин, с последующей фиксацией при помощи запатентованной клипсы. Особенностью системы является использование клипсы без монтажного ушка, которая фиксируется по принципу защелкивания. В процессе установки крепежный элемент позиционируется в пазу пластины и надежно закрепляется до характерного щелчка, обеспечивая визуальный и тактильный контроль качества монтажа. Дополнительный уровень герметичности создается за счет уплотнительных элементов портов, расположенных на неподвижной плите теплообменника.
- Дополнительные опции: Возможна комплектация теплоизоляцией для снижения тепловых потерь.
Товары серии
Название и артикул | № рамы | Количество пластин | Температура рабочей среды, °С | Расчетное давление, МПа | Габаритные размеры (ШхВхГ), мм | Макс. масса, кг | ||
|---|---|---|---|---|---|---|---|---|
Теплообменник НН№43 ДУ 200 11-55 пластин 1,0 МПа | 1 | 11-55 | от -25 до +180 | 1,0 | 770х1497х815 | 945 | ||
₽ 364 286.00 Заказная позиция | ||||||||
Теплообменник НН№43 ДУ 200 11-55 пластин 1,6 МПа | 1 | 11-55 | от -25 до +180 | 1,6 | 770х1497х835 | 1280 | ||
₽ 608 296.00 Заказная позиция | ||||||||
Теплообменник НН№43 ДУ 200 56-125 пластин 1,0 МПа | 2 | 56-125 | от -25 до +180 | 1,0 | 770х1497х1215 | 1180 | ||
₽ 674 226.00 Заказная позиция | ||||||||
Теплообменник НН№43 ДУ 200 56-125 пластин 1,6 МПа | 2 | 56-125 | от -25 до +180 | 1,6 | 770х1497х1235 | 1550 | ||
₽ 918 237.00 Заказная позиция | ||||||||
Теплообменник НН№43 ДУ 200 126-215 пластин 1,0 МПа | 3 | 126-215 | от -25 до +180 | 1,0 | 770х1497х1715 | 1490 | ||
₽ 1 163 607.00 Заказная позиция | ||||||||
Теплообменник НН№43 ДУ 200 126-215 пластин 1,6 МПа | 3 | 126-215 | от -25 до +180 | 1,6 | 770х1497х1735 | 1910 | ||
₽ 1 407 617.00 Заказная позиция | ||||||||
Теплообменник НН№43 ДУ 200 216-305 пластин 1,0 МПа | 4 | 216-305 | от -25 до +180 | 1,0 | 770х1497х2215 | 1800 | ||
₽ 1 807 074.00 Заказная позиция | ||||||||
Теплообменник НН№43 ДУ 200 216-305 пластин 1,6 МПа | 4 | 216-305 | от -25 до +180 | 1,6 | 770х1497х2235 | 2270 | ||
₽ 2 051 085.00 Заказная позиция | ||||||||
Теплообменник НН№43 ДУ 200 306-395 пластин 1,0 МПа | 5 | 306-395 | от -25 до +180 | 1,0 | 770х1497х2715 | 2110 | ||
₽ 2 427 131.00 Заказная позиция | ||||||||
Теплообменник НН№43 ДУ 200 306-395 пластин 1,6 МПа | 5 | 306-395 | от -25 до +180 | 1,6 | 770х1497х2735 | 2630 | ||
₽ 2 671 142.00 Заказная позиция | ||||||||
Теплообменник НН№43 ДУ 200 396-485 пластин 1,0 МПа | 6 | 396-485 | от -25 до +180 | 1,0 | 770х1497х3215 | 2420 | ||
₽ 3 071 431.00 Заказная позиция | ||||||||
Теплообменник НН№43 ДУ 200 396-485 пластин 1,6 МПа | 6 | 396-485 | от -25 до +180 | 1,6 | 770х1497х3235 | 2990 | ||
₽ 3 315 441.00 Заказная позиция | ||||||||
Теплообменник НН№43 ДУ 200 486-665 пластин 1,0 МПа | 7 | 486-665 | от -25 до +180 | 1,0 | 770х1497х4215 | 2520 | ||
₽ 3 768 025.00 Заказная позиция | ||||||||
Теплообменник НН№43 ДУ 200 486-665 пластин 1,6 МПа | 7 | 486-665 | от -25 до +180 | 1,6 | 770х1497х4235 | 3700 | ||
₽ 4 012 036.00 Заказная позиция | ||||||||

