Теплообменник НН№43 ДУ 200 126-215 пластин 1,6 МПа
Теплообменник Ридан НН№43 на раме №3 — это производительный разборный пластинчатый аппарат с присоединительным диаметром Ду 200 мм, рассчитанный на повышенное рабочее давление до 1,6 МПа.
- № рамы
- 3
- Количество пластин
- 126-215
- Температура рабочей среды, °С
- от -25 до +180
Подбор рекомендованного аналога
Заполните форму, и мы обязательно с Вами свяжемсяОсновное
Все характеристикиПредприятие обеспечивает полный производственный цикл, включая производство пластин, плит, элементов рам и других комплектующих. Локализация достигает 95%, мощность предприятия составляет более 20 тыс. изделий в год.
- № рамы
- 3
- Количество пластин
- 126-215
- Температура рабочей среды, °С
- от -25 до +180
- Расчетное давление, МПа
- 1,6
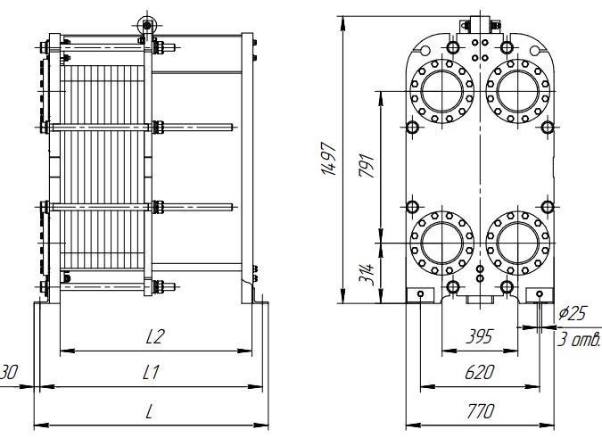
- Габаритные размеры (ШхВхГ), мм
- 770х1497х1735
- Макс. масса, кг
- 1910
Обзор
Обзор- Высокая производительность: Конструкция рамы №3 позволяет устанавливать пакет из 126-215 пластин, обеспечивая эффективную площадь теплообмена до 112,46 м². Данное решение оптимально для сложных технологических задач и систем с повышенными требованиями к теплопередаче.
- Вариативность каналов: Для точной адаптации оборудования к рабочим параметрам системы доступны пластины с типами каналов ТК, ТМ, TL, а также их гибридные комбинации (TKTM, TMTL, TKTL), что позволяет оптимизировать характеристики теплообмена.
- Конструктивные особенности: Модель имеет габаритные размеры 770×1497×1735 мм и массу 1910 кг, что обеспечивает устойчивость и надежность конструкции при значительных тепловых нагрузках.
- Надежное уплотнение:
- Тип SonderLock: Современная система уплотнения демонстрирует повышенную надежность благодаря инновационному принципу фиксации. Уплотнительные элементы устанавливаются в специальные профилированные пазы по контуру пластин и закрепляются при помощи уникальной клипсы. Конструкция клипсы не имеет монтажного ушка, а ее фиксация осуществляется по принципу защелкивания - при установке крепежный элемент точно позиционируется в пазу пластины и надежно закрепляется до характерного щелчка. Дополнительный уровень защиты обеспечивается уплотнительными элементами портов, расположенными на неподвижной плите, создавая двухконтурную систему герметизации.
- Дополнительные опции: Для повышения энергоэффективности предусмотрена возможность комплектации теплообменника теплоизоляцией, что способствует значительному снижению тепловых потерь.
Документы
Все документы- № рамы
- 3
- Количество пластин
- 126-215
- Температура рабочей среды, °С
- от -25 до +180
- Регулируемая среда (теплоноситель)
- вода, пар, углеводороды, кислоты, пищевые жидкости и другие
- Рабочее давление, бар изб.
- до 25
- Расчетное давление, МПа
- 1,6
- Материал пластин
- AISI 304, AISI 316L, SMO 254, Titan, C-276 и другие
- Материал прокладки
- EPDM, Nitril, Viton и их модификации
- Габаритные размеры (ШхВхГ), мм
- 770х1497х1735
- Макс. масса, кг
- 1910
- Стяжные шпильки (размер)
- М36
- Стяжные шпильки (кол-во), шт
- 8
- Высокая производительность: Конструкция рамы №3 позволяет устанавливать пакет из 126-215 пластин, обеспечивая эффективную площадь теплообмена до 112,46 м². Данное решение оптимально для сложных технологических задач и систем с повышенными требованиями к теплопередаче.
- Вариативность каналов: Для точной адаптации оборудования к рабочим параметрам системы доступны пластины с типами каналов ТК, ТМ, TL, а также их гибридные комбинации (TKTM, TMTL, TKTL), что позволяет оптимизировать характеристики теплообмена.
- Конструктивные особенности: Модель имеет габаритные размеры 770×1497×1735 мм и массу 1910 кг, что обеспечивает устойчивость и надежность конструкции при значительных тепловых нагрузках.
- Надежное уплотнение:
- Тип SonderLock: Современная система уплотнения демонстрирует повышенную надежность благодаря инновационному принципу фиксации. Уплотнительные элементы устанавливаются в специальные профилированные пазы по контуру пластин и закрепляются при помощи уникальной клипсы. Конструкция клипсы не имеет монтажного ушка, а ее фиксация осуществляется по принципу защелкивания - при установке крепежный элемент точно позиционируется в пазу пластины и надежно закрепляется до характерного щелчка. Дополнительный уровень защиты обеспечивается уплотнительными элементами портов, расположенными на неподвижной плите, создавая двухконтурную систему герметизации.
- Дополнительные опции: Для повышения энергоэффективности предусмотрена возможность комплектации теплообменника теплоизоляцией, что способствует значительному снижению тепловых потерь.
Товары серии
Название и артикул | № рамы | Количество пластин | Температура рабочей среды, °С | Расчетное давление, МПа | Габаритные размеры (ШхВхГ), мм | Макс. масса, кг | ||
|---|---|---|---|---|---|---|---|---|
Теплообменник НН№43 ДУ 200 11-55 пластин 1,0 МПа | 1 | 11-55 | от -25 до +180 | 1,0 | 770х1497х815 | 945 | ||
₽ 364 286.00 Заказная позиция | ||||||||
Теплообменник НН№43 ДУ 200 11-55 пластин 1,6 МПа | 1 | 11-55 | от -25 до +180 | 1,6 | 770х1497х835 | 1280 | ||
₽ 608 296.00 Заказная позиция | ||||||||
Теплообменник НН№43 ДУ 200 56-125 пластин 1,0 МПа | 2 | 56-125 | от -25 до +180 | 1,0 | 770х1497х1215 | 1180 | ||
₽ 674 226.00 Заказная позиция | ||||||||
Теплообменник НН№43 ДУ 200 56-125 пластин 1,6 МПа | 2 | 56-125 | от -25 до +180 | 1,6 | 770х1497х1235 | 1550 | ||
₽ 918 237.00 Заказная позиция | ||||||||
Теплообменник НН№43 ДУ 200 126-215 пластин 1,0 МПа | 3 | 126-215 | от -25 до +180 | 1,0 | 770х1497х1715 | 1490 | ||
₽ 1 163 607.00 Заказная позиция | ||||||||
Теплообменник НН№43 ДУ 200 126-215 пластин 1,6 МПа | 3 | 126-215 | от -25 до +180 | 1,6 | 770х1497х1735 | 1910 | ||
₽ 1 407 617.00 Заказная позиция | ||||||||
Теплообменник НН№43 ДУ 200 216-305 пластин 1,0 МПа | 4 | 216-305 | от -25 до +180 | 1,0 | 770х1497х2215 | 1800 | ||
₽ 1 807 074.00 Заказная позиция | ||||||||
Теплообменник НН№43 ДУ 200 216-305 пластин 1,6 МПа | 4 | 216-305 | от -25 до +180 | 1,6 | 770х1497х2235 | 2270 | ||
₽ 2 051 085.00 Заказная позиция | ||||||||
Теплообменник НН№43 ДУ 200 306-395 пластин 1,0 МПа | 5 | 306-395 | от -25 до +180 | 1,0 | 770х1497х2715 | 2110 | ||
₽ 2 427 131.00 Заказная позиция | ||||||||
Теплообменник НН№43 ДУ 200 306-395 пластин 1,6 МПа | 5 | 306-395 | от -25 до +180 | 1,6 | 770х1497х2735 | 2630 | ||
₽ 2 671 142.00 Заказная позиция | ||||||||
Теплообменник НН№43 ДУ 200 396-485 пластин 1,0 МПа | 6 | 396-485 | от -25 до +180 | 1,0 | 770х1497х3215 | 2420 | ||
₽ 3 071 431.00 Заказная позиция | ||||||||
Теплообменник НН№43 ДУ 200 396-485 пластин 1,6 МПа | 6 | 396-485 | от -25 до +180 | 1,6 | 770х1497х3235 | 2990 | ||
₽ 3 315 441.00 Заказная позиция | ||||||||
Теплообменник НН№43 ДУ 200 486-665 пластин 1,0 МПа | 7 | 486-665 | от -25 до +180 | 1,0 | 770х1497х4215 | 2520 | ||
₽ 3 768 025.00 Заказная позиция | ||||||||
Теплообменник НН№43 ДУ 200 486-665 пластин 1,6 МПа | 7 | 486-665 | от -25 до +180 | 1,6 | 770х1497х4235 | 3700 | ||
₽ 4 012 036.00 Заказная позиция | ||||||||

