Теплообменник НН№65 ДУ 200 11-50 пластин 1,0 МПа
Теплообменник Ридан НН№65 (рама №1) — разборный пластинчатый аппарат с диаметром присоединения Ду 200 мм, рассчитан на рабочее давление 1,0 МПа.
- № рамы
- 1
- Количество пластин
- 11-50
- Температура рабочей среды, °С
- от -25 до +180
Подбор рекомендованного аналога
Заполните форму, и мы обязательно с Вами свяжемсяОсновное
Все характеристикиПредприятие обеспечивает полный производственный цикл, включая производство пластин, плит, элементов рам и других комплектующих. Локализация достигает 95%, мощность предприятия составляет более 20 тыс. изделий в год.
- № рамы
- 1
- Количество пластин
- 11-50
- Температура рабочей среды, °С
- от -25 до +180
- Расчетное давление, МПа
- 1,0
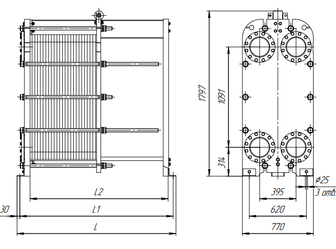
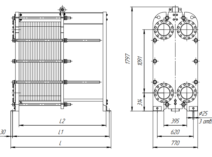
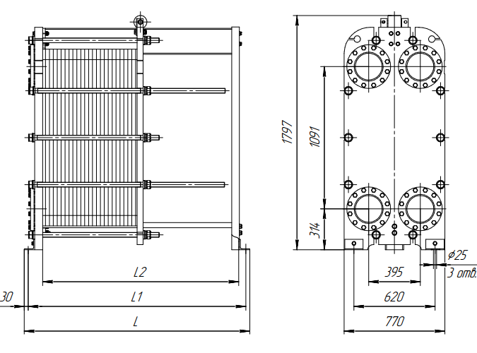
- Габаритные размеры (ШхВхГ), мм
- 770х1797х825
- Макс. масса, кг
- 1230
Обзор
Обзор- Параметры теплообмена: Базовая комплектация аппарата включает пакет из 11 пластин, который можно увеличить до 50 штук. Такое решение обеспечивает возможность гибкой регулировки эффективной площади теплообмена, значение которой может достигать 33,74 м².
- Типы каналов: Для точного расчета теплообменника в соответствии с параметрами системы доступны пластины с каналами типов ТК, ТМ, TL, а также их комбинации (TKTM, TMTL, TKTL).
- Конструктивные особенности: Модель на раме №1 обладает наименьшими в серии НН№47 габаритами — 770х1797х825 мм, а ее масса составляет 1230 кг.
- Надежное уплотнение (SonderLock): Система уплотнения устанавливается в специальные профилированные углубления по контуру пластины и фиксируется с помощью зажима (клипсы). SonderLock представляет собой клипсу без ушка, принцип фиксации которой основан на защелкивании: клипса вставляется в паз на пластине и надежно закрепляется до характерного щелчка. Дополнительную герметичность конструкции обеспечивают уплотнительные элементы портов, расположенные на неподвижной плите.
- Дополнительные опции: Аппарат может быть укомплектован теплоизоляцией для минимизации тепловых потерь.
Документы
Все документы- № рамы
- 1
- Количество пластин
- 11-50
- Температура рабочей среды, °С
- от -25 до +180
- Регулируемая среда (теплоноситель)
- вода, пар, углеводороды, кислоты, пищевые жидкости и другие
- Рабочее давление, бар изб.
- до 25
- Расчетное давление, МПа
- 1,0
- Материал пластин
- AISI 304, AISI 316L, SMO 254, Titan, C-276 и другие
- Материал прокладки
- EPDM, Nitril, Viton и их модификации
- Габаритные размеры (ШхВхГ), мм
- 770х1797х825
- Макс. масса, кг
- 1230
- Стяжные шпильки (размер)
- М36
- Стяжные шпильки (кол-во), шт
- 8
- Параметры теплообмена: Базовая комплектация аппарата включает пакет из 11 пластин, который можно увеличить до 50 штук. Такое решение обеспечивает возможность гибкой регулировки эффективной площади теплообмена, значение которой может достигать 33,74 м².
- Типы каналов: Для точного расчета теплообменника в соответствии с параметрами системы доступны пластины с каналами типов ТК, ТМ, TL, а также их комбинации (TKTM, TMTL, TKTL).
- Конструктивные особенности: Модель на раме №1 обладает наименьшими в серии НН№47 габаритами — 770х1797х825 мм, а ее масса составляет 1230 кг.
- Надежное уплотнение (SonderLock): Система уплотнения устанавливается в специальные профилированные углубления по контуру пластины и фиксируется с помощью зажима (клипсы). SonderLock представляет собой клипсу без ушка, принцип фиксации которой основан на защелкивании: клипса вставляется в паз на пластине и надежно закрепляется до характерного щелчка. Дополнительную герметичность конструкции обеспечивают уплотнительные элементы портов, расположенные на неподвижной плите.
- Дополнительные опции: Аппарат может быть укомплектован теплоизоляцией для минимизации тепловых потерь.
Товары серии
Название и артикул | № рамы | Количество пластин | Температура рабочей среды, °С | Расчетное давление, МПа | Габаритные размеры (ШхВхГ), мм | Макс. масса, кг | ||
|---|---|---|---|---|---|---|---|---|
Теплообменник НН№65 ДУ 200 11-50 пластин 1,0 МПа | 1 | 11-50 | от -25 до +180 | 1,0 | 770х1797х825 | 1230 | ||
₽ 497 713.00 Заказная позиция | ||||||||
Теплообменник НН№65 ДУ 200 11-50 пластин 1,6 МПа | 1 | 11-50 | от -25 до +180 | 1,6 | 770х1797х835 | 1550 | ||
₽ 631 636.00 Заказная позиция | ||||||||
Теплообменник НН№65 ДУ 200 51-120 пластин 1,0 МПа | 2 | 51-120 | от -25 до +180 | 1,0 | 770х1797х1225 | 1520 | ||
₽ 750 490.00 Заказная позиция | ||||||||
Теплообменник НН№65 ДУ 200 51-120 пластин 1,6 МПа | 2 | 51-120 | от -25 до +180 | 1,6 | 770х1797х1235 | 1900 | ||
₽ 887 191.00 Заказная позиция | ||||||||
Теплообменник НН№65 ДУ 200 121-210 пластин 1,0 МПа | 3 | 121-210 | от -25 до +180 | 1,0 | 770х1797х1725 | 1900 | ||
₽ 1 198 973.00 Заказная позиция | ||||||||
Теплообменник НН№65 ДУ 200 121-210 пластин 1,6 МПа | 3 | 121-210 | от -25 до +180 | 1,6 | 770х1797х1735 | 2340 | ||
₽ 1 338 365.00 Заказная позиция | ||||||||
Теплообменник НН№65 ДУ 200 211-300 пластин 1,0 МПа | 4 | 211-300 | от -25 до +180 | 1,0 | 770х1797х2225 | 2280 | ||
₽ 1 788 926.00 Заказная позиция | ||||||||
Теплообменник НН№65 ДУ 200 211-300 пластин 1,6 МПа | 4 | 211-300 | от -25 до +180 | 1,6 | 770х1797х2235 | 2800 | ||
₽ 1 929 811.00 Заказная позиция | ||||||||
Теплообменник НН№65 ДУ 200 301-390 пластин 1,0 МПа | 5 | 301-390 | от -25 до +180 | 1,0 | 770х1797х2725 | 2670 | ||
₽ 2 357 332.00 Заказная позиция | ||||||||
Теплообменник НН№65 ДУ 200 301-390 пластин 1,6 МПа | 5 | 301-390 | от -25 до +180 | 1,6 | 770х1797х2735 | 3260 | ||
₽ 2 507 259.00 Заказная позиция | ||||||||
Теплообменник НН№65 ДУ 200 391-480 пластин 1,0 МПа | 6 | 391-480 | от -25 до +180 | 1,0 | 770х1797х3225 | 3050 | ||
₽ 2 949 048.00 Заказная позиция | ||||||||
Теплообменник НН№65 ДУ 200 391-480 пластин 1,6 МПа | 6 | 391-480 | от -25 до +180 | 1,6 | 770х1797х3235 | 2720 | ||
₽ 3 102 572.00 Заказная позиция | ||||||||
Теплообменник НН№65 ДУ 200 481-660 пластин 1,0 МПа | 7 | 481-660 | от -25 до +180 | 1,0 | 770х1797х4225 | 3810 | ||
₽ 3 593 059.00 Заказная позиция | ||||||||
Теплообменник НН№65 ДУ 200 481-660 пластин 1,6 МПа | 7 | 481-660 | от -25 до +180 | 1,6 | 770х1797х4235 | 4610 | ||
₽ 3 749 638.00 Заказная позиция | ||||||||

