Теплообменник НН№65 ДУ 200 481-660 пластин 1,0 МПа
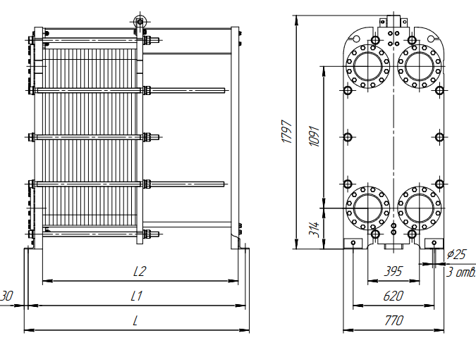
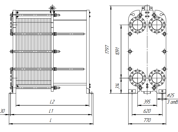
Теплообменник Ридан НН№65 на раме №7 — это аппарат максимальной мощности в линейке с присоединением Ду 200 мм для давления 1,0 МПа. Комплектуется 481-660 пластинами, обеспечивая площадь теплообмена до 462,57 м².
- № рамы
- 7
- Количество пластин
- 481-660
- Температура рабочей среды, °С
- от -25 до +180
Подбор рекомендованного аналога
Заполните форму, и мы обязательно с Вами свяжемсяОсновное
Все характеристикиПредприятие обеспечивает полный производственный цикл, включая производство пластин, плит, элементов рам и других комплектующих. Локализация достигает 95%, мощность предприятия составляет более 20 тыс. изделий в год.
- № рамы
- 7
- Количество пластин
- 481-660
- Температура рабочей среды, °С
- от -25 до +180
- Расчетное давление, МПа
- 1,0
- Габаритные размеры (ШхВхГ), мм
- 770х1797х4225
- Макс. масса, кг
- 3810
Обзор
Обзор- Параметры теплообмена: Аппарат комплектуется максимальным в серии пакетом пластин (393-485 шт), что позволяет достигать рекордной площади теплообмена в 462,57 м².
- Типы каналов: Полный набор типов каналов (ТК, ТМ, TL, TKTM, TMTL, TKTL) обеспечивает возможность оптимального подбора конфигурации теплообменника согласно техническим требованиям системы.
- Надежное уплотнение (SonderLock): Уплотнительные элементы устанавливаются в профилированные углубления по контуру пластин. Фиксация осуществляется клипсой SonderLock без ушка по принципу защелкивания. Клипса вставляется в паз на поверхности пластины и фиксируется до щелчка. Герметичность конструкции дополнительно обеспечивается уплотнениями портов на неподвижной плите.
- Дополнительные опции: Возможна комплектация теплоизоляцией для минимизации тепловых потерь.
Документы
Все документы- № рамы
- 7
- Количество пластин
- 481-660
- Температура рабочей среды, °С
- от -25 до +180
- Регулируемая среда (теплоноситель)
- вода, пар, углеводороды, кислоты, пищевые жидкости и другие
- Рабочее давление, бар изб.
- до 25
- Расчетное давление, МПа
- 1,0
- Материал пластин
- AISI 304, AISI 316L, SMO 254, Titan, C-276 и другие
- Материал прокладки
- EPDM, Nitril, Viton и их модификации
- Габаритные размеры (ШхВхГ), мм
- 770х1797х4225
- Макс. масса, кг
- 3810
- Стяжные шпильки (размер)
- М36
- Стяжные шпильки (кол-во), шт
- 8
- Параметры теплообмена: Аппарат комплектуется максимальным в серии пакетом пластин (393-485 шт), что позволяет достигать рекордной площади теплообмена в 462,57 м².
- Типы каналов: Полный набор типов каналов (ТК, ТМ, TL, TKTM, TMTL, TKTL) обеспечивает возможность оптимального подбора конфигурации теплообменника согласно техническим требованиям системы.
- Надежное уплотнение (SonderLock): Уплотнительные элементы устанавливаются в профилированные углубления по контуру пластин. Фиксация осуществляется клипсой SonderLock без ушка по принципу защелкивания. Клипса вставляется в паз на поверхности пластины и фиксируется до щелчка. Герметичность конструкции дополнительно обеспечивается уплотнениями портов на неподвижной плите.
- Дополнительные опции: Возможна комплектация теплоизоляцией для минимизации тепловых потерь.
Товары серии
Название и артикул | № рамы | Количество пластин | Температура рабочей среды, °С | Расчетное давление, МПа | Габаритные размеры (ШхВхГ), мм | Макс. масса, кг | ||
|---|---|---|---|---|---|---|---|---|
Теплообменник НН№65 ДУ 200 11-50 пластин 1,0 МПа | 1 | 11-50 | от -25 до +180 | 1,0 | 770х1797х825 | 1230 | ||
₽ 497 713.00 Заказная позиция | ||||||||
Теплообменник НН№65 ДУ 200 11-50 пластин 1,6 МПа | 1 | 11-50 | от -25 до +180 | 1,6 | 770х1797х835 | 1550 | ||
₽ 631 636.00 Заказная позиция | ||||||||
Теплообменник НН№65 ДУ 200 51-120 пластин 1,0 МПа | 2 | 51-120 | от -25 до +180 | 1,0 | 770х1797х1225 | 1520 | ||
₽ 750 490.00 Заказная позиция | ||||||||
Теплообменник НН№65 ДУ 200 51-120 пластин 1,6 МПа | 2 | 51-120 | от -25 до +180 | 1,6 | 770х1797х1235 | 1900 | ||
₽ 887 191.00 Заказная позиция | ||||||||
Теплообменник НН№65 ДУ 200 121-210 пластин 1,0 МПа | 3 | 121-210 | от -25 до +180 | 1,0 | 770х1797х1725 | 1900 | ||
₽ 1 198 973.00 Заказная позиция | ||||||||
Теплообменник НН№65 ДУ 200 121-210 пластин 1,6 МПа | 3 | 121-210 | от -25 до +180 | 1,6 | 770х1797х1735 | 2340 | ||
₽ 1 338 365.00 Заказная позиция | ||||||||
Теплообменник НН№65 ДУ 200 211-300 пластин 1,0 МПа | 4 | 211-300 | от -25 до +180 | 1,0 | 770х1797х2225 | 2280 | ||
₽ 1 788 926.00 Заказная позиция | ||||||||
Теплообменник НН№65 ДУ 200 211-300 пластин 1,6 МПа | 4 | 211-300 | от -25 до +180 | 1,6 | 770х1797х2235 | 2800 | ||
₽ 1 929 811.00 Заказная позиция | ||||||||
Теплообменник НН№65 ДУ 200 301-390 пластин 1,0 МПа | 5 | 301-390 | от -25 до +180 | 1,0 | 770х1797х2725 | 2670 | ||
₽ 2 357 332.00 Заказная позиция | ||||||||
Теплообменник НН№65 ДУ 200 301-390 пластин 1,6 МПа | 5 | 301-390 | от -25 до +180 | 1,6 | 770х1797х2735 | 3260 | ||
₽ 2 507 259.00 Заказная позиция | ||||||||
Теплообменник НН№65 ДУ 200 391-480 пластин 1,0 МПа | 6 | 391-480 | от -25 до +180 | 1,0 | 770х1797х3225 | 3050 | ||
₽ 2 949 048.00 Заказная позиция | ||||||||
Теплообменник НН№65 ДУ 200 391-480 пластин 1,6 МПа | 6 | 391-480 | от -25 до +180 | 1,6 | 770х1797х3235 | 2720 | ||
₽ 3 102 572.00 Заказная позиция | ||||||||
Теплообменник НН№65 ДУ 200 481-660 пластин 1,0 МПа | 7 | 481-660 | от -25 до +180 | 1,0 | 770х1797х4225 | 3810 | ||
₽ 3 593 059.00 Заказная позиция | ||||||||
Теплообменник НН№65 ДУ 200 481-660 пластин 1,6 МПа | 7 | 481-660 | от -25 до +180 | 1,6 | 770х1797х4235 | 4610 | ||
₽ 3 749 638.00 Заказная позиция | ||||||||

