Теплообменник НН№62 ДУ 150 116-207 пластин 1,0 МПа
Теплообменник Ридан НН№62 (рама №3) — это разборный пластинчатый аппарат с условным проходом Ду 150 мм, ориентированный на высокую производительность. Аппарат рассчитан на рабочее давление 1,0 МПа.
- № рамы
- 3
- Количество пластин
- 116-207
- Температура рабочей среды, °С
- от -25 до +180
Подбор рекомендованного аналога
Заполните форму, и мы обязательно с Вами свяжемсяОсновное
Все характеристикиПредприятие обеспечивает полный производственный цикл, включая производство пластин, плит, элементов рам и других комплектующих. Локализация достигает 95%, мощность предприятия составляет более 20 тыс. изделий в год.
- № рамы
- 3
- Количество пластин
- 116-207
- Температура рабочей среды, °С
- от -25 до +180
- Расчетное давление, МПа
- 1,0
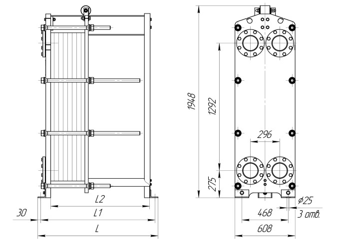
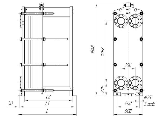
- Габаритные размеры (ШхВхГ), мм
- 608х1948х1710
- Макс. масса, кг
- 1350
Обзор
Обзор- Параметры теплообмена: Аппарат комплектуется расширенным пакетом пластин — от 116 до 207 штук. Благодаря значительной площади теплообмена, достигающей 139,60 м², оборудование способно эффективно работать в системах с повышенной тепловой нагрузкой.
- Типы каналов: Для точного соответствия технологическим требованиям доступны различные типы каналов (ТК, ТМ, TL и их комбинации), что позволяет оптимально подобрать конфигурацию теплообменного аппарата под параметры системы.
- Надежное уплотнение:
Тип SonderLock: В качестве альтернативного решения предлагается система SonderLock, основанная на инновационном принципе защелкивания. Данная конструкция обеспечивает не только высокую надежность фиксации, но и значительно упрощает процесс обслуживания, повышая долговечность эксплуатации уплотнительных элементов. - Дополнительные опции: Для снижения тепловых потерь и повышения энергоэффективности системы доступна комплектация теплоизоляцией.
Документы
Все документы- № рамы
- 3
- Количество пластин
- 116-207
- Температура рабочей среды, °С
- от -25 до +180
- Регулируемая среда (теплоноситель)
- вода, пар, углеводороды, кислоты, пищевые жидкости и другие
- Рабочее давление, бар изб.
- до 25
- Расчетное давление, МПа
- 1,0
- Материал пластин
- AISI 304, AISI 316L, SMO 254, Titan, C-276 и другие
- Материал прокладки
- EPDM, Nitril, Viton и их модификации
- Габаритные размеры (ШхВхГ), мм
- 608х1948х1710
- Макс. масса, кг
- 1350
- Стяжные шпильки (размер)
- М36
- Стяжные шпильки (кол-во), шт
- 8
- Параметры теплообмена: Аппарат комплектуется расширенным пакетом пластин — от 116 до 207 штук. Благодаря значительной площади теплообмена, достигающей 139,60 м², оборудование способно эффективно работать в системах с повышенной тепловой нагрузкой.
- Типы каналов: Для точного соответствия технологическим требованиям доступны различные типы каналов (ТК, ТМ, TL и их комбинации), что позволяет оптимально подобрать конфигурацию теплообменного аппарата под параметры системы.
- Надежное уплотнение:
Тип SonderLock: В качестве альтернативного решения предлагается система SonderLock, основанная на инновационном принципе защелкивания. Данная конструкция обеспечивает не только высокую надежность фиксации, но и значительно упрощает процесс обслуживания, повышая долговечность эксплуатации уплотнительных элементов. - Дополнительные опции: Для снижения тепловых потерь и повышения энергоэффективности системы доступна комплектация теплоизоляцией.
Товары серии
Название и артикул | № рамы | Количество пластин | Температура рабочей среды, °С | Расчетное давление, МПа | Габаритные размеры (ШхВхГ), мм | Макс. масса, кг | ||
|---|---|---|---|---|---|---|---|---|
Теплообменник НН№62 ДУ 150 11-68 пластин 1,0 МПа | 1 | 11-68 | от -25 до +180 | 1,0 | 608х1948х810 | 960 | ||
₽ 269 781.00 Заказная позиция | ||||||||
Теплообменник НН№62 ДУ 150 11-68 пластин 1,6 МПа | 1 | 11-68 | от -25 до +180 | 1,6 | 608х1948х825 | 1120 | ||
₽ 362 913.00 Заказная позиция | ||||||||
Теплообменник НН№62 ДУ 150 69-115 пластин 1,0 МПа | 2 | 69-115 | от -25 до +180 | 1,0 | 608х1948х1210 | 1100 | ||
₽ 524 964.00 Заказная позиция | ||||||||
Теплообменник НН№62 ДУ 150 69-115 пластин 1,6 МПа | 2 | 69-115 | от -25 до +180 | 1,6 | 608х1948х1225 | 1290 | ||
₽ 762 019.00 Заказная позиция | ||||||||
Теплообменник НН№62 ДУ 150 116-207 пластин 1,0 МПа | 3 | 116-207 | от -25 до +180 | 1,0 | 608х1948х1710 | 1350 | ||
₽ 724 283.00 Заказная позиция | ||||||||
Теплообменник НН№62 ДУ 150 116-207 пластин 1,6 МПа | 3 | 116-207 | от -25 до +180 | 1,6 | 608х1948х1725 | 1580 | ||
₽ 1 077 963.00 Заказная позиция | ||||||||
Теплообменник НН№62 ДУ 150 208-300 пластин 1,0 МПа | 4 | 208-300 | от -25 до +180 | 1,0 | 608х1948х2210 | 1610 | ||
₽ 1 147 775.00 Заказная позиция | ||||||||
Теплообменник НН№62 ДУ 150 208-300 пластин 1,6 МПа | 4 | 208-300 | от -25 до +180 | 1,6 | 608х1948х2225 | 1890 | ||
₽ 1 729 745.00 Заказная позиция | ||||||||
Теплообменник НН№62 ДУ 150 301-392 пластин 1,0 МПа | 5 | 301-392 | от -25 до +180 | 1,0 | 608х1948х2710 | 1860 | ||
₽ 1 544 578.00 Заказная позиция | ||||||||
Теплообменник НН№62 ДУ 150 301-392 пластин 1,6 МПа | 5 | 301-392 | от -25 до +180 | 1,6 | 608х1948х2725 | 2190 | ||
₽ 2 357 320.00 Заказная позиция | ||||||||
Теплообменник НН№62 ДУ 150 393-485 пластин 1,0 МПа | 6 | 393-485 | от -25 до +180 | 1,0 | 608х1948х3210 | 2120 | ||
₽ 1 942 994.00 Заказная позиция | ||||||||
Теплообменник НН№62 ДУ 150 393-485 пластин 1,6 МПа | 6 | 393-485 | от -25 до +180 | 1,6 | 608х1948х3225 | 2500 | ||
₽ 2 984 026.00 Заказная позиция | ||||||||

