Теплообменник НН№62 ДУ 150 208-300 пластин 1,6 МПа
Теплообменник Ридан НН№62 на раме №4 — это мощный разборный пластинчатый аппарат с присоединительным диаметром Ду 150 мм, рассчитанный на повышенное рабочее давление до 1,6 МПа. Предназначен для комплектации крупными пакетами пластин от 208 до 300 штук, что позволяет достигать площади теплообмена до 202,93 м².
- № рамы
- 4
- Количество пластин
- 208-300
- Температура рабочей среды, °С
- от -25 до +180
Подбор рекомендованного аналога
Заполните форму, и мы обязательно с Вами свяжемсяОсновное
Все характеристикиПредприятие обеспечивает полный производственный цикл, включая производство пластин, плит, элементов рам и других комплектующих. Локализация достигает 95%, мощность предприятия составляет более 20 тыс. изделий в год.
- № рамы
- 4
- Количество пластин
- 208-300
- Температура рабочей среды, °С
- от -25 до +180
- Расчетное давление, МПа
- 1,6
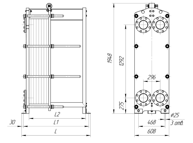
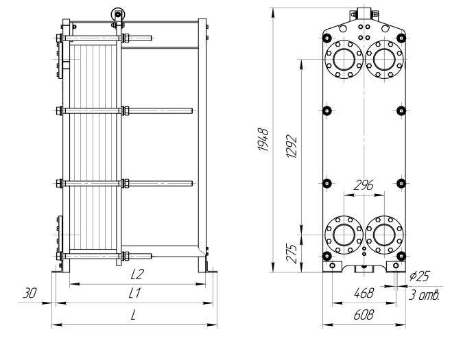
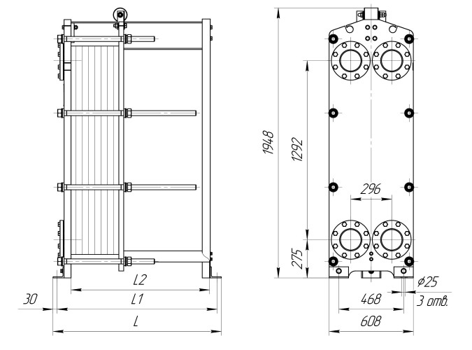
- Габаритные размеры (ШхВхГ), мм
- 608х1948х2225
- Макс. масса, кг
- 1890
Обзор
Обзор- Параметры теплообмена: Аппарат комплектуется пакетом пластин в диапазоне 208-300 единиц, обеспечивая эффективную площадь теплообмена до 202,93 м². Данная конфигурация предназначена для высокопроизводительных систем.
- Типы каналов: Для точного согласования рабочих параметров доступны пластины с типами каналов ТК, ТМ, TL и их комбинациями (TKTM, TMTL, TKTL).
- Конструктивные особенности: Модель имеет габаритные размеры 608×1546×2215 мм и массу 1410 кг.
- Надежное уплотнение :
- Тип SonderLock: Уплотнительные элементы устанавливаются в профилированные пазы по контуру пластин и фиксируются зажимной клипсой. Конструкция SonderLock представляет собой клипсу без монтажного ушка, фиксирующуюся по принципу защелкивания. При установке клипса позиционируется в пазу пластины и надежно закрепляется до характерного щелчка. Дополнительную герметичность системы обеспечивают уплотнения портов на неподвижной плите.
- Дополнительные опции: Возможна комплектация теплоизоляцией для снижения тепловых потерь.
Документы
Все документы- № рамы
- 4
- Количество пластин
- 208-300
- Температура рабочей среды, °С
- от -25 до +180
- Регулируемая среда (теплоноситель)
- вода, пар, углеводороды, кислоты, пищевые жидкости и другие
- Рабочее давление, бар изб.
- до 25
- Расчетное давление, МПа
- 1,6
- Материал пластин
- AISI 304, AISI 316L, SMO 254, Titan, C-276 и другие
- Материал прокладки
- EPDM, Nitril, Viton и их модификации
- Габаритные размеры (ШхВхГ), мм
- 608х1948х2225
- Макс. масса, кг
- 1890
- Стяжные шпильки (размер)
- М36
- Стяжные шпильки (кол-во), шт
- 8
- Параметры теплообмена: Аппарат комплектуется пакетом пластин в диапазоне 208-300 единиц, обеспечивая эффективную площадь теплообмена до 202,93 м². Данная конфигурация предназначена для высокопроизводительных систем.
- Типы каналов: Для точного согласования рабочих параметров доступны пластины с типами каналов ТК, ТМ, TL и их комбинациями (TKTM, TMTL, TKTL).
- Конструктивные особенности: Модель имеет габаритные размеры 608×1546×2215 мм и массу 1410 кг.
- Надежное уплотнение :
- Тип SonderLock: Уплотнительные элементы устанавливаются в профилированные пазы по контуру пластин и фиксируются зажимной клипсой. Конструкция SonderLock представляет собой клипсу без монтажного ушка, фиксирующуюся по принципу защелкивания. При установке клипса позиционируется в пазу пластины и надежно закрепляется до характерного щелчка. Дополнительную герметичность системы обеспечивают уплотнения портов на неподвижной плите.
- Дополнительные опции: Возможна комплектация теплоизоляцией для снижения тепловых потерь.
Товары серии
Название и артикул | № рамы | Количество пластин | Температура рабочей среды, °С | Расчетное давление, МПа | Габаритные размеры (ШхВхГ), мм | Макс. масса, кг | ||
|---|---|---|---|---|---|---|---|---|
Теплообменник НН№62 ДУ 150 11-68 пластин 1,0 МПа | 1 | 11-68 | от -25 до +180 | 1,0 | 608х1948х810 | 960 | ||
₽ 269 781.00 Заказная позиция | ||||||||
Теплообменник НН№62 ДУ 150 11-68 пластин 1,6 МПа | 1 | 11-68 | от -25 до +180 | 1,6 | 608х1948х825 | 1120 | ||
₽ 362 913.00 Заказная позиция | ||||||||
Теплообменник НН№62 ДУ 150 69-115 пластин 1,0 МПа | 2 | 69-115 | от -25 до +180 | 1,0 | 608х1948х1210 | 1100 | ||
₽ 524 964.00 Заказная позиция | ||||||||
Теплообменник НН№62 ДУ 150 69-115 пластин 1,6 МПа | 2 | 69-115 | от -25 до +180 | 1,6 | 608х1948х1225 | 1290 | ||
₽ 762 019.00 Заказная позиция | ||||||||
Теплообменник НН№62 ДУ 150 116-207 пластин 1,0 МПа | 3 | 116-207 | от -25 до +180 | 1,0 | 608х1948х1710 | 1350 | ||
₽ 724 283.00 Заказная позиция | ||||||||
Теплообменник НН№62 ДУ 150 116-207 пластин 1,6 МПа | 3 | 116-207 | от -25 до +180 | 1,6 | 608х1948х1725 | 1580 | ||
₽ 1 077 963.00 Заказная позиция | ||||||||
Теплообменник НН№62 ДУ 150 208-300 пластин 1,0 МПа | 4 | 208-300 | от -25 до +180 | 1,0 | 608х1948х2210 | 1610 | ||
₽ 1 147 775.00 Заказная позиция | ||||||||
Теплообменник НН№62 ДУ 150 208-300 пластин 1,6 МПа | 4 | 208-300 | от -25 до +180 | 1,6 | 608х1948х2225 | 1890 | ||
₽ 1 729 745.00 Заказная позиция | ||||||||
Теплообменник НН№62 ДУ 150 301-392 пластин 1,0 МПа | 5 | 301-392 | от -25 до +180 | 1,0 | 608х1948х2710 | 1860 | ||
₽ 1 544 578.00 Заказная позиция | ||||||||
Теплообменник НН№62 ДУ 150 301-392 пластин 1,6 МПа | 5 | 301-392 | от -25 до +180 | 1,6 | 608х1948х2725 | 2190 | ||
₽ 2 357 320.00 Заказная позиция | ||||||||
Теплообменник НН№62 ДУ 150 393-485 пластин 1,0 МПа | 6 | 393-485 | от -25 до +180 | 1,0 | 608х1948х3210 | 2120 | ||
₽ 1 942 994.00 Заказная позиция | ||||||||
Теплообменник НН№62 ДУ 150 393-485 пластин 1,6 МПа | 6 | 393-485 | от -25 до +180 | 1,6 | 608х1948х3225 | 2500 | ||
₽ 2 984 026.00 Заказная позиция | ||||||||

