Теплообменник НН№41 ДУ 150 301-392 пластин 1,6 МПа
Теплообменник Ридан НН№41 на раме №5 — это высокопроизводительный разборный пластинчатый аппарат с присоединительным диаметром Ду 150 мм, рассчитанный на повышенное рабочее давление до 1,6 МПа.
- № рамы
- 5
- Количество пластин
- 301-392
- Температура рабочей среды, °С
- от -25 до +180
Подбор рекомендованного аналога
Заполните форму, и мы обязательно с Вами свяжемсяОсновное
Все характеристикиПредприятие обеспечивает полный производственный цикл, включая производство пластин, плит, элементов рам и других комплектующих. Локализация достигает 95%, мощность предприятия составляет более 20 тыс. изделий в год.
- № рамы
- 5
- Количество пластин
- 301-392
- Температура рабочей среды, °С
- от -25 до +180
- Расчетное давление, МПа
- 1,6
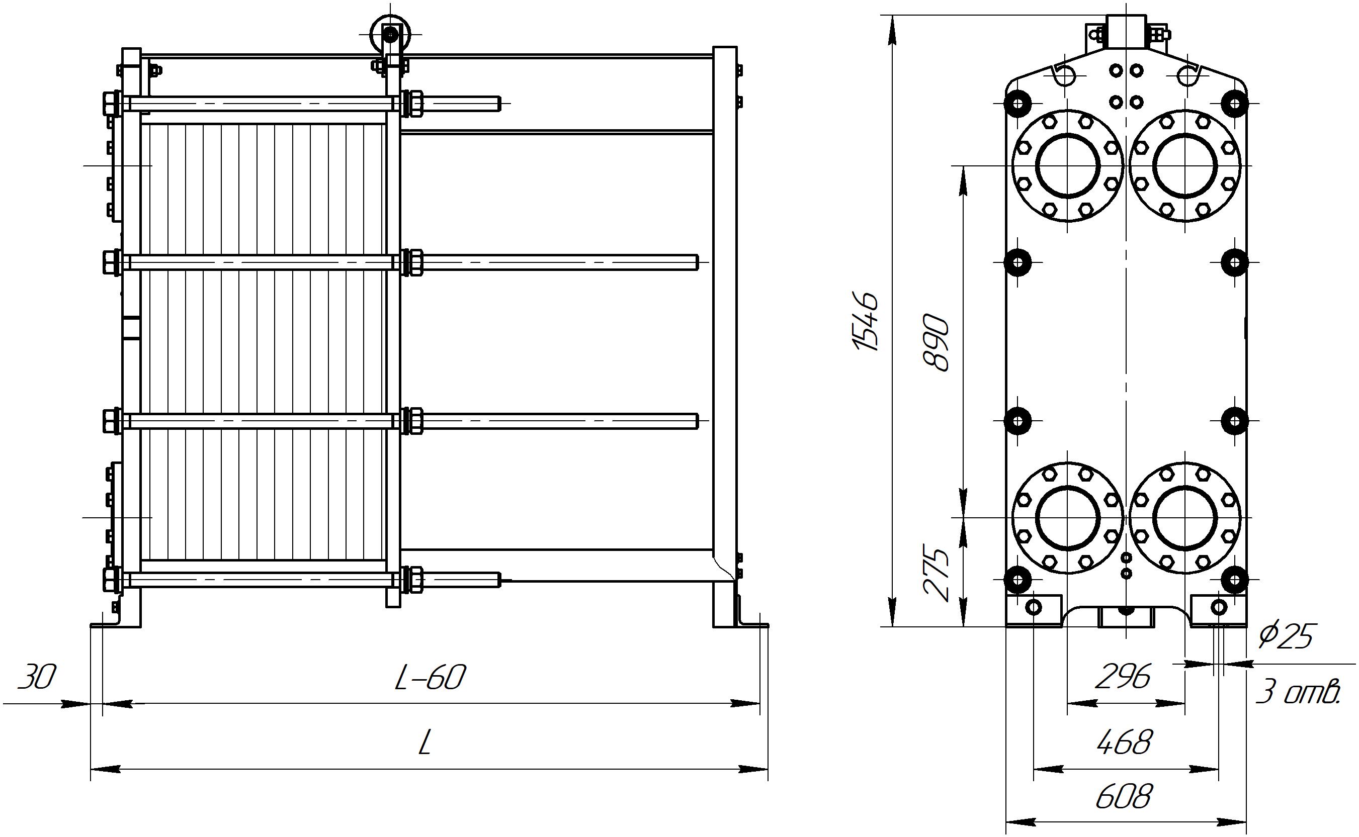
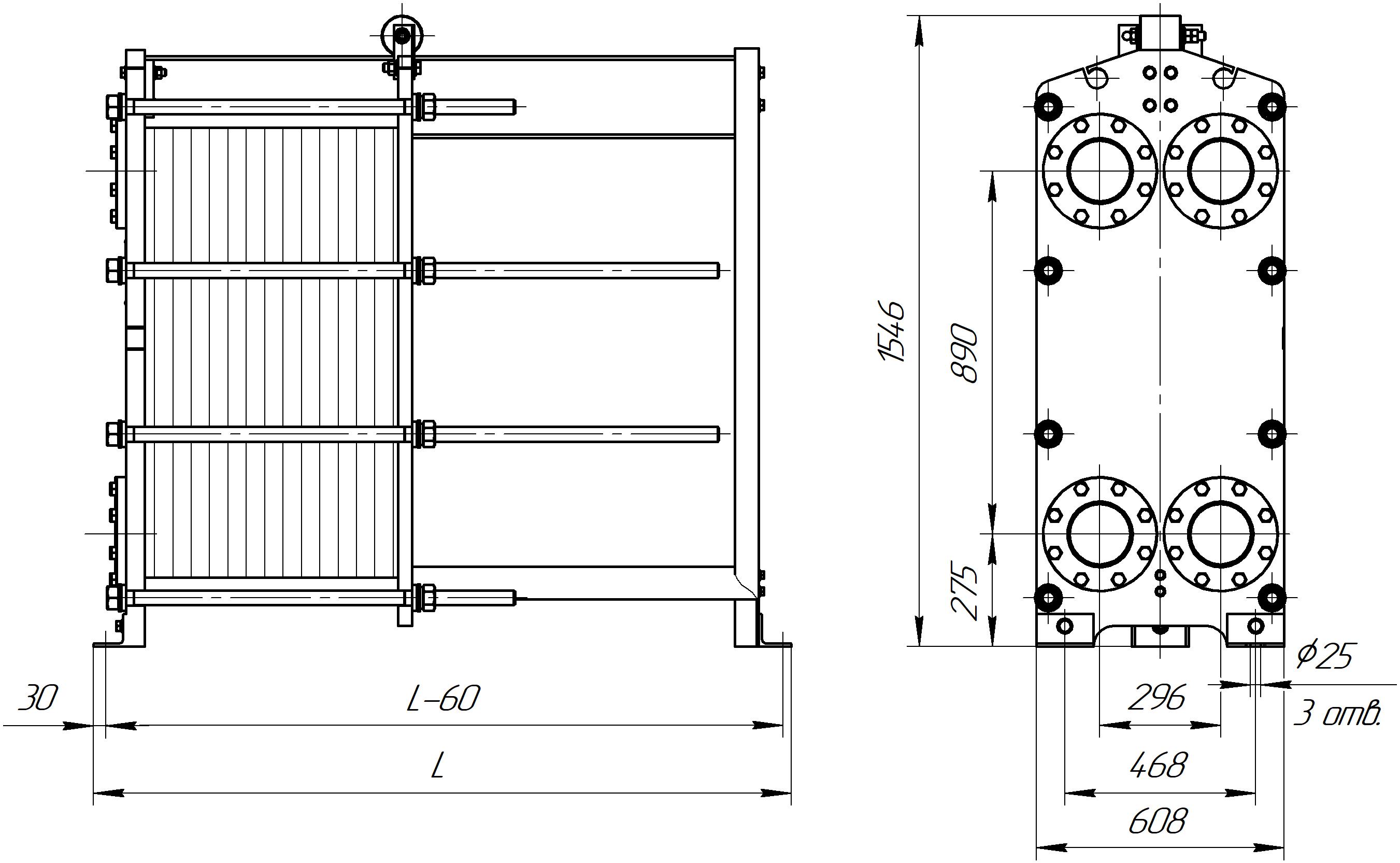
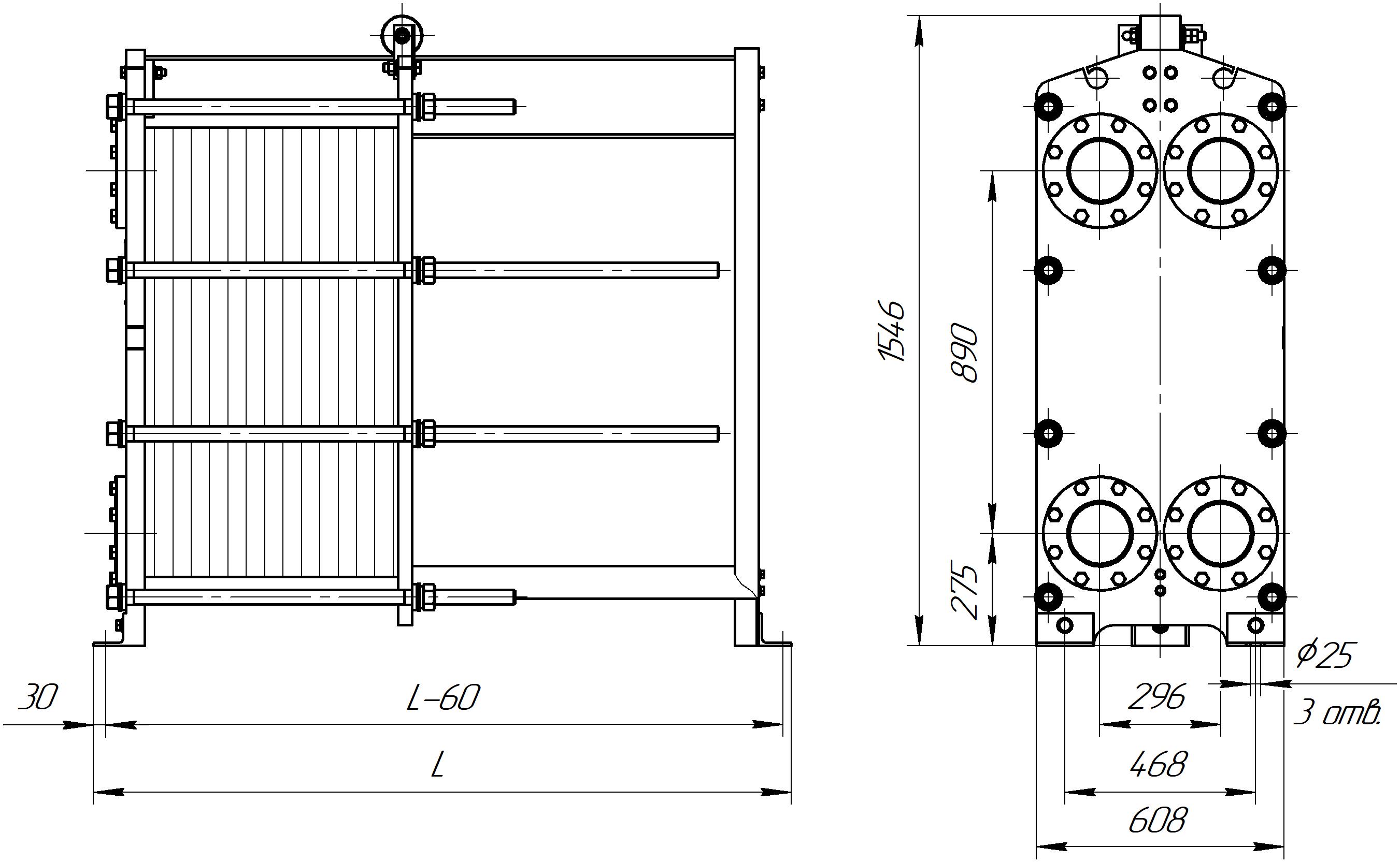
- Габаритные размеры (ШхВхГ), мм
- 608х1546х2715
- Макс. масса, кг
- 1640
Обзор
Обзор- Параметры теплообмена: Аппарат комплектуется компактным пакетом пластин — от 301 до 392 штук. Максимальная площадь теплообмена достигает 175,89 м².
- Типы каналов: Доступны пластины с типами каналов ТК, ТМ, TL и их комбинациями (TKTM, TMTL, TKTL), что позволяет гибко подобрать теплообменник под параметры системы.
- Конструктивные особенности: Модель характеризуется габаритными размерами 608х1546х2715 мм и массой 1640 кг.
- Надежное уплотнение (вариативность):
- Тип Hang-on: Герметичность обеспечивается прокладками с клипсовой фиксацией. Принцип фиксации: клипса имеет Т-образные концы, которые заводятся за обратную сторону пластины. В отличие от клеевых соединений, такой клипсовый замок обеспечивает простую и быструю замену прокладок. Монтируется в специальные углубления по контуру пластины, а дополнительная надежность обеспечивается специальным ушком на Hang-on.
Тип SonderLock: Уплотнение монтируется в специальные углубления по контуру пластин и фиксируется зажимом (клипсой). SonderLock — это клипса без ушка, чья фиксация основана на защёлкивании: клипса вставляется в паз на самой пластине и надёжно фиксируется до щелчка.
Дополнительную герметичность в обоих случаях обеспечивают уплотнения портов на неподвижной плите. - Дополнительные опции: Для повышения энергоэффективности возможна комплектация теплоизоляцией, которая минимизирует тепловые потери в окружающую среду.
Документы
Все документы- № рамы
- 5
- Количество пластин
- 301-392
- Температура рабочей среды, °С
- от -25 до +180
- Регулируемая среда (теплоноситель)
- вода, пар, углеводороды, кислоты, пищевые жидкости и другие
- Рабочее давление, бар изб.
- до 25
- Расчетное давление, МПа
- 1,6
- Материал пластин
- AISI 304, AISI 316L, SMO 254, Titan, C-276 и другие
- Материал прокладки
- EPDM, Nitril, Viton и их модификации
- Габаритные размеры (ШхВхГ), мм
- 608х1546х2715
- Макс. масса, кг
- 1640
- Стяжные шпильки (размер)
- М36
- Стяжные шпильки (кол-во), шт
- 8
- Параметры теплообмена: Аппарат комплектуется компактным пакетом пластин — от 301 до 392 штук. Максимальная площадь теплообмена достигает 175,89 м².
- Типы каналов: Доступны пластины с типами каналов ТК, ТМ, TL и их комбинациями (TKTM, TMTL, TKTL), что позволяет гибко подобрать теплообменник под параметры системы.
- Конструктивные особенности: Модель характеризуется габаритными размерами 608х1546х2715 мм и массой 1640 кг.
- Надежное уплотнение (вариативность):
- Тип Hang-on: Герметичность обеспечивается прокладками с клипсовой фиксацией. Принцип фиксации: клипса имеет Т-образные концы, которые заводятся за обратную сторону пластины. В отличие от клеевых соединений, такой клипсовый замок обеспечивает простую и быструю замену прокладок. Монтируется в специальные углубления по контуру пластины, а дополнительная надежность обеспечивается специальным ушком на Hang-on.
Тип SonderLock: Уплотнение монтируется в специальные углубления по контуру пластин и фиксируется зажимом (клипсой). SonderLock — это клипса без ушка, чья фиксация основана на защёлкивании: клипса вставляется в паз на самой пластине и надёжно фиксируется до щелчка.
Дополнительную герметичность в обоих случаях обеспечивают уплотнения портов на неподвижной плите. - Дополнительные опции: Для повышения энергоэффективности возможна комплектация теплоизоляцией, которая минимизирует тепловые потери в окружающую среду.
Товары серии
Название и артикул | № рамы | Количество пластин | Температура рабочей среды, °С | Расчетное давление, МПа | Габаритные размеры (ШхВхГ), мм | Макс. масса, кг | ||
|---|---|---|---|---|---|---|---|---|
Теплообменник НН№41 ДУ 150 11-68 пластин 1,0 МПа | 1 | 11-68 | от -25 до +180 | 1,0 | 608х1546х805 | 660 | ||
₽ 213 894.00 Заказная позиция | ||||||||
Теплообменник НН№41 ДУ 150 11-68 пластин 1,6 МПа | 1 | 11-68 | от -25 до +180 | 1,6 | 608х1546х815 | 815 | ||
₽ 287 489.00 Заказная позиция | ||||||||
Теплообменник НН№41 ДУ 150 69-115 пластин 1,0 МПа | 2 | 69-115 | от -25 до +180 | 1,0 | 608х1546х1205 | 770 | ||
₽ 454 761.00 Заказная позиция | ||||||||
Теплообменник НН№41 ДУ 150 69-115 пластин 1,6 МПа | 2 | 69-115 | от -25 до +180 | 1,6 | 608х1546х1215 | 940 | ||
₽ 508 453.00 Заказная позиция | ||||||||
Теплообменник НН№41 ДУ 150 116-207 пластин 1,0 МПа | 3 | 116-207 | от -25 до +180 | 1,0 | 608х1546х1705 | 960 | ||
₽ 642 478.00 Заказная позиция | ||||||||
Теплообменник НН№41 ДУ 150 116-207 пластин 1,6 МПа | 3 | 116-207 | от -25 до +180 | 1,6 | 608х1546х1715 | 1170 | ||
₽ 696 170.00 Заказная позиция | ||||||||
Теплообменник НН№41 ДУ 150 208-300 пластин 1,0 МПа | 4 | 208-300 | от -25 до +180 | 1,0 | 608х1546х2205 | 1170 | ||
₽ 1 043 260.00 Заказная позиция | ||||||||
Теплообменник НН№41 ДУ 150 208-300 пластин 1,6 МПа | 4 | 208-300 | от -25 до +180 | 1,6 | 608х1546х2215 | 1410 | ||
₽ 1 096 952.00 Заказная позиция | ||||||||
Теплообменник НН№41 ДУ 150 301-392 пластин 1,0 МПа | 5 | 301-392 | от -25 до +180 | 1,0 | 608х1546х2705 | 1360 | ||
₽ 1 417 107.00 Заказная позиция | ||||||||
Теплообменник НН№41 ДУ 150 301-392 пластин 1,6 МПа | 5 | 301-392 | от -25 до +180 | 1,6 | 608х1546х2715 | 1640 | ||
₽ 1 470 798.00 Заказная позиция | ||||||||
Теплообменник НН№41 ДУ 150 393-485 пластин 1,0 МПа | 6 | 393-485 | от -25 до +180 | 1,0 | 608х1546х3205 | 1560 | ||
₽ 1 792 813.00 Заказная позиция | ||||||||
Теплообменник НН№41 ДУ 150 393-485 пластин 1,6 МПа | 6 | 393-485 | от -25 до +180 | 1,6 | 608х1546х3215 | 1870 | ||
₽ 1 846 504.00 Заказная позиция | ||||||||
Теплообменник НН№42 ДУ 150 11–55 пластин 1,0 МПа | 1 | 11–55 | от -25 до +180 | 1,0 | 608х1546х805 | 660 | ||
₽ 230 380.00 Заказная позиция | ||||||||
Теплообменник НН№42 ДУ 150 11–55 пластин 1,6 МПа | 1 | 11–55 | от -25 до +180 | 1,6 | 608х1546х815 | 815 | ||
₽ 304 544.00 Заказная позиция | ||||||||
Теплообменник НН№42 ДУ 150 56–93 пластин 1,0 МПа | 2 | 56–93 | от -25 до +180 | 1,0 | 608х1546х1205 | 770 | ||
₽ 491 739.00 Заказная позиция | ||||||||
Теплообменник НН№42 ДУ 150 56–93 пластин 1,6 МПа | 2 | 56–93 | от -25 до +180 | 1,6 | 608х1546х1215 | 940 | ||
₽ 658 029.00 Заказная позиция | ||||||||
Теплообменник НН№42 ДУ 150 94–165 пластин 1,0 МПа | 3 | 94–165 | от -25 до +180 | 1,0 | 608х1546х1705 | 960 | ||
₽ 704 321.00 Заказная позиция | ||||||||
Теплообменник НН№42 ДУ 150 94–165 пластин 1,6 МПа | 3 | 94–165 | от -25 до +180 | 1,6 | 608х1546х1715 | 1170 | ||
₽ 948 405.00 Заказная позиция | ||||||||
Теплообменник НН№42 ДУ 150 166–240 пластин 1,0 МПа | 4 | 166–240 | от -25 до +180 | 1,0 | 608х1546х2205 | 1170 | ||
₽ 1 140 949.00 Заказная позиция | ||||||||
Теплообменник НН№42 ДУ 150 166–240 пластин 1,6 МПа | 4 | 166–240 | от -25 до +180 | 1,6 | 608х1546х2215 | 1410 | ||
₽ 1 532 434.00 Заказная позиция | ||||||||
Теплообменник НН№42 ДУ 150 241–312 пластин 1,0 МПа | 5 | 241–312 | от -25 до +180 | 1,0 | 608х1546х2705 | 1360 | ||
₽ 1 562 967.00 Заказная позиция | ||||||||
Теплообменник НН№42 ДУ 150 241–312 пластин 1,6 МПа | 5 | 241–312 | от -25 до +180 | 1,6 | 608х1546х2715 | 1640 | ||
₽ 2 107 994.00 Заказная позиция | ||||||||
Теплообменник НН№42 ДУ 150 313–385 пластин 1,0 МПа | 6 | 313–385 | от -25 до +180 | 1,0 | 608х1546х3205 | 1560 | ||
₽ 1 974 519.00 Заказная позиция | ||||||||
Теплообменник НН№42 ДУ 150 313–385 пластин 1,6 МПа | 6 | 313–385 | от -25 до +180 | 1,6 | 608х1546х3215 | 1870 | ||
₽ 2 666 947.00 Заказная позиция | ||||||||

