Теплообменник НН№06М ДУ 32
Пластинчатый теплообменник НН№06М ДУ 32 – это высокопроизводительное и надежное решение для организации эффективного теплообмена в широком спектре промышленных и коммунальных задач. Аппарат относится к категории разборных пластинчатых теплообменников (РПТО), что гарантирует его исключительную адаптивность к изменяющимся условиям процесса, простоту обслуживания и масштабируемость.
Данная модель теплообменника находит применение в качестве ключевого элемента тепловых схем в таких областях, как:
- Обеспечение горячего водоснабжения (ГВС) и отопления в жилых многоквартирных зданиях, частных коттеджах и объектах социальной инфраструктуры.
- Теплообменный аппарат в индивидуальных и центральных тепловых пунктах (ИТП, ЦТП) для современных энергоэффективных систем.
- Компонент технологических линий, требующих точного температурного контроля в химической, нефтегазовой и пищевой промышленности.
- Узел для рекуперации тепла и утилизации вторичных энергоресурсов, способствующий снижению эксплуатационных затрат.
- Температура, °С
- -25 ... +180
- Теплоноситель
- Вода, пар, гликолевые растворы, углеводороды, кислоты, щелочи, пищевые продукты
- Давление
- до 25 бар
- Материал пластин
- AISI 304, 316L, Titan и др.
- Материал прокладок
- EPDM, Nitril, Viton
- Количество пластин
- от 5 до 100
- Тип рамы
- 1, 2, 3
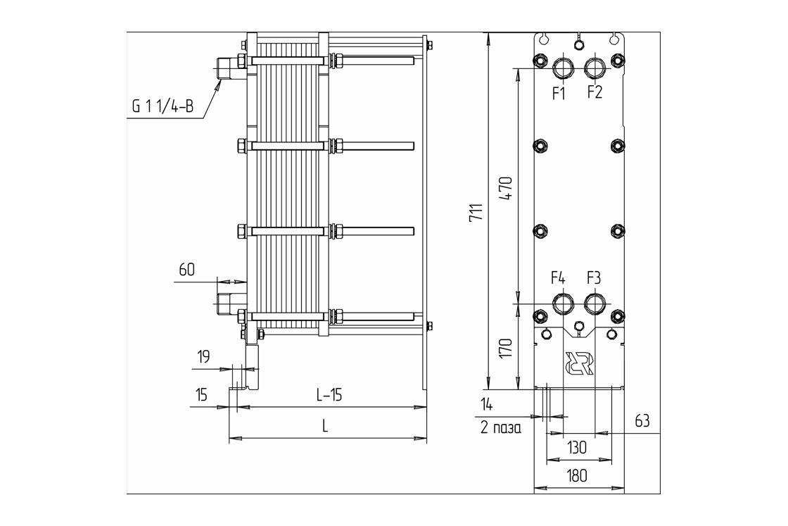
- Габаритные размеры (ШхВхГ), мм
- 180х711х313(max 563)
- Масса, кг
- до 69
По вопросам приобретения РПТО обращайтесь по адресу: 123@ridan.ru
С этим товаром часто покупают






