Теплообменник НН№06М ДУ 32 5-34 пластины
Теплообменник Ридан НН№06М (рама №1) — разборный пластинчатый аппарат с диаметром подключения 32 мм, рассчитанный на давление 1,6 МПа.
от ₽ 41 669.00
Цена без НДС Заказная позиция
- № рамы
- 1
- Количество пластин
- 5-34
- Температура рабочей среды, °С
- от -25 до +180
Подбор рекомендованного аналога
Заполните форму, и мы обязательно с Вами свяжемсяОсновное
Все характеристикиПредприятие обеспечивает полный производственный цикл, включая производство пластин, плит, элементов рам и других комплектующих. Локализация достигает 95%, мощность предприятия составляет более 20 тыс. изделий в год.
- № рамы
- 1
- Количество пластин
- 5-34
- Температура рабочей среды, °С
- от -25 до +180
- Расчетное давление, МПа
- 1,6
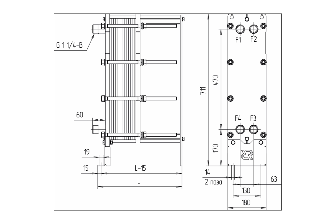
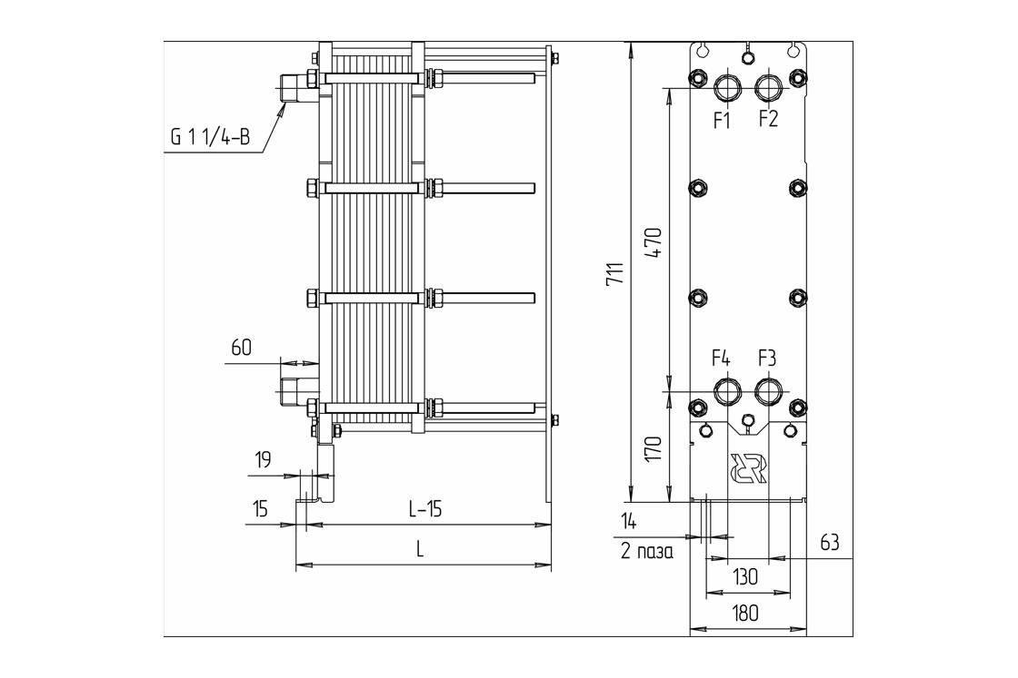
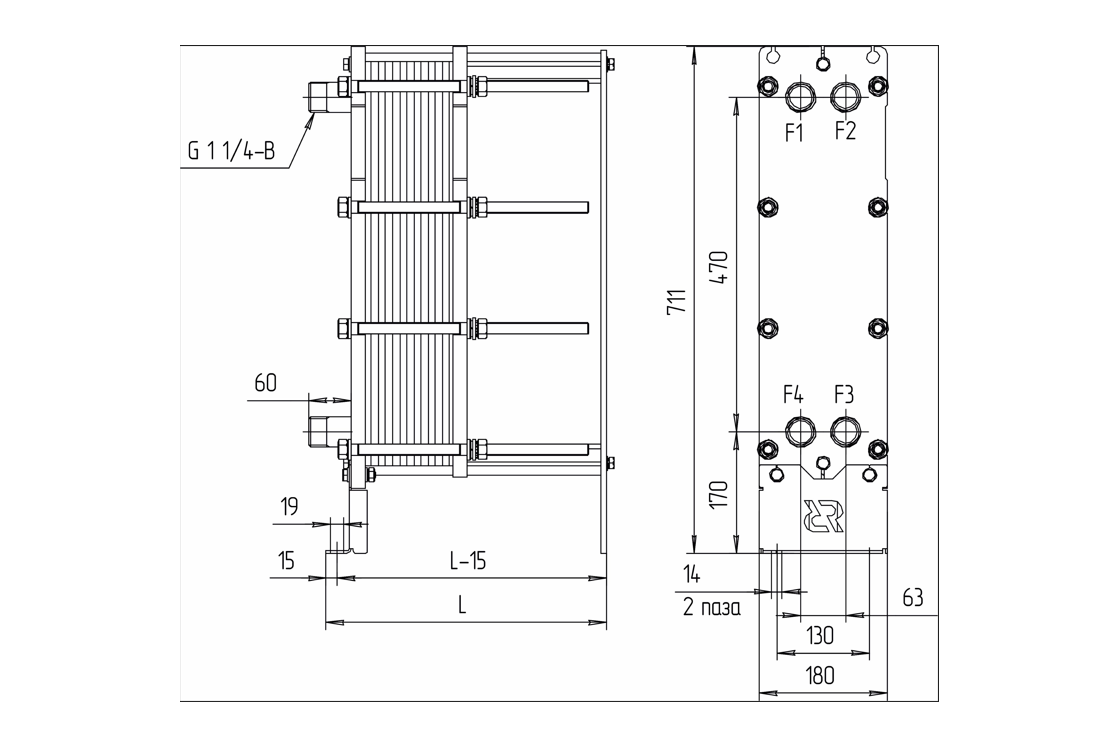
- Габаритные размеры (ШхВхГ), мм
- 180х711х313
- Макс. масса, кг
- 50
Обзор
Обзор- Гибкая конфигурация: Количество пластин в пакете варьируется от 5 до 34. Площадь теплообмена одной пластины составляет 0,067 м², что позволяет достичь максимальной площади теплообмена 2,14 м²
- Настройка под задачу: Для компоновки аппарата доступны пластины с типами каналов L, M, H, что позволяет настроить аппарат под конкретные параметры среды и требуемую производительность.
- Надежное уплотнение (Hang-on): Герметичность обеспечивается прокладками с клипсовой фиксацией типа Hang-on. Принцип фиксации: клипса имеет Т-образные концы, которые заводятся за обратную сторону пластины. В отличие от клеевых соединений, такой клипсовый замок обеспечивает простую и быструю замену прокладок. Монтируется в специальные углубления по контуру пластины, а дополнительная надежность обеспечивается специальным ушком на Hang-on.
Дополнительную герметичность обеспечивают уплотнения портов на неподвижной плите. - Дополнительные опции:
- Возможность предусмотреть теплоизоляцию
Документы
Все документыРуководство
Руководство
Сертификат
Сертификат
Инструкция
Инструкция
2D Чертеж
2D Чертеж
3D Модель
3D Модель
Каталог
Каталог
Техническое описание
Техническое описание
- Регулируемая среда (теплоноситель)
- вода, пар, углеводороды, кислоты, пищевые жидкости и другие
- Макс. рабочее давление, бар изб.
- до 25
- № рамы
- 1
- Материал пластин
- AISI 304, AISI 316L, SMO 254, Titan, C-276 и другие
- Количество пластин
- 5-34
- Расчетное давление, МПа
- 1,6
- Температура рабочей среды, °С
- от -25 до +180
- Габаритные размеры (ШхВхГ), мм
- 180х711х313
- Макс. масса, кг
- 50
- Стяжные шпильки (размер)
- М16
- Стяжные шпильки (кол-во), шт
- 8
- Материал прокладки
- EPDM, Nitril, Viton и их модификации
Руководство
Руководство
Сертификат
Сертификат
Инструкция
Инструкция
2D Чертеж
2D Чертеж
3D Модель
3D Модель
Каталог
Каталог
Техническое описание
Техническое описание
- Гибкая конфигурация: Количество пластин в пакете варьируется от 5 до 34. Площадь теплообмена одной пластины составляет 0,067 м², что позволяет достичь максимальной площади теплообмена 2,14 м²
- Настройка под задачу: Для компоновки аппарата доступны пластины с типами каналов L, M, H, что позволяет настроить аппарат под конкретные параметры среды и требуемую производительность.
- Надежное уплотнение (Hang-on): Герметичность обеспечивается прокладками с клипсовой фиксацией типа Hang-on. Принцип фиксации: клипса имеет Т-образные концы, которые заводятся за обратную сторону пластины. В отличие от клеевых соединений, такой клипсовый замок обеспечивает простую и быструю замену прокладок. Монтируется в специальные углубления по контуру пластины, а дополнительная надежность обеспечивается специальным ушком на Hang-on.
Дополнительную герметичность обеспечивают уплотнения портов на неподвижной плите. - Дополнительные опции:
- Возможность предусмотреть теплоизоляцию
Товары серии
Сортировать по:
Название и артикул | № рамы | Количество пластин | Температура рабочей среды, °С | Расчетное давление, МПа | Габаритные размеры (ШхВхГ), мм | Макс. масса, кг | ||
|---|---|---|---|---|---|---|---|---|
Теплообменник НН№06М ДУ 32 5-34 пластины | 1 | 5-34 | от -25 до +180 | 1,6 | 180х711х313 | 50 | ||
₽ 41 669.00 Заказная позиция | ||||||||
Теплообменник НН№06М ДУ 32 35-52 пластины | 2 | 35-52 | от -25 до +180 | 1,6 | 180х711х393 | 56 | ||
₽ 78 945.00 Заказная позиция | ||||||||
Теплообменник НН№06М ДУ 32 53-100 пластины | 3 | 53-100 | от -25 до +180 | 1,6 | 180х711х563 | 69 | ||
₽ 103 114.00 Заказная позиция | ||||||||

