Теплообменник НН№12М ДУ 50
Пластинчатый теплообменник НН№12М ДУ 50 – это мощное и надежное решение для организации интенсивного теплообмена в промышленных масштабах. Аппарат относится к категории разборных пластинчатых теплообменников (РПТО), что обеспечивает ему исключительную адаптивность к изменяющимся технологическим задачам, простоту обслуживания и ремонта. Модель предназначена для работы с широким спектром сред и характеризуется высокой энергоэффективностью.
Широкое применение в качестве ключевого элемента:
- В системах теплоснабжения: для центральных и индивидуальных тепловых пунктов (ЦТП, ИТП), обеспечения отопления и ГВС крупных жилых, коммерческих и промышленных объектов.
- В энергетике: в составе технологических контуров атомных и тепловых электростанций.
- В судовой технике: для оснащения систем отопления и технологических установок на морских и речных судах.
- В промышленности: для теплообменных операций в металлургии, химической, нефтегазовой, пищевой и целлюлозно-бумажной отраслях.
- Температура, °С
- -25 ... +180
- Теплоноситель
- Вода, пар, гликолевые растворы, углеводороды, кислоты, щелочи, пищевые продукты
- Давление
- до 25 бар
- Материал пластин
- AISI 304, 316L, Titan и др.
- Материал прокладок
- EPDM, Nitril, Viton
- Количество пластин
- от 5 до 198
- Тип рамы
- 1, 2, 3, 4, 5
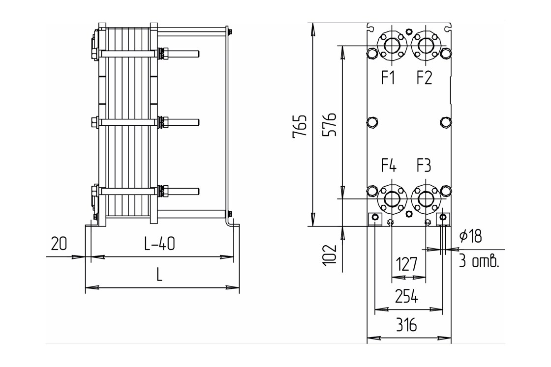
- Габаритные размеры (ШхВхГ), мм
- 316х765х425(max 1025)
- Масса, кг
- до 230
По вопросам приобретения РПТО обращайтесь по адресу: 123@ridan.ru
С этим товаром часто покупают






