Теплообменник НН№12М ДУ 50 5-30 пластин
Теплообменник НН№12М (рама №1) — это разборный пластинчатый аппарат, рассчитанный на рабочее давление до 1,6 МПа. Диаметр подключения 50 мм.
от ₽ 67 297.00
Цена без НДС Заказная позиция
- № рамы
- 1
- Количество пластин
- 5-30
- Температура рабочей среды, °С
- от -25 до +180
Подбор рекомендованного аналога
Заполните форму, и мы обязательно с Вами свяжемсяОсновное
Все характеристикиПредприятие обеспечивает полный производственный цикл, включая производство пластин, плит, элементов рам и других комплектующих. Локализация достигает 95%, мощность предприятия составляет более 20 тыс. изделий в год.
- № рамы
- 1
- Количество пластин
- 5-30
- Температура рабочей среды, °С
- от -25 до +180
- Расчетное давление, МПа
- 1,6
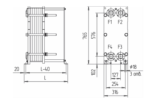
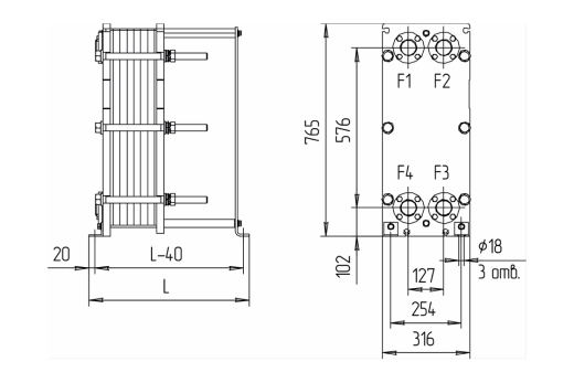
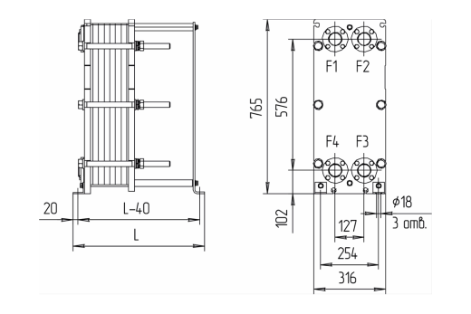
- Габаритные размеры (ШхВхГ), мм
- 316х765х393
- Макс. масса, кг
- 115
Обзор
Обзор- Гибкая конфигурация: Количество пластин варьируется от 5 до 30. Площадь теплообмена одной пластины составляет 0,119 м², что позволяет достичь общей площади до 3,3 м².
- Типы каналов: Аппарат комплектуется пластинами с типами каналов M и H.
- Надежное уплотнение (Hang-on):
Герметичность обеспечивается прокладками с клипсовой фиксацией типа Hang-on. Принцип фиксации: клипса имеет Т-образные концы, которые заводятся за обратную сторону пластины. В отличие от клеевых соединений, такой клипсовый замок обеспечивает простую и быструю замену прокладок. Монтируется в специальные углубления по контуру пластины, а дополнительная надежность обеспечивается специальным ушком на Hang-on.
Дополнительную герметичность обеспечивают уплотнения портов на неподвижной плите. - Дополнительные опции: Возможность предусмотреть теплоизоляцию
Документы
Все документыРуководство
Руководство
Сертификат
Сертификат
Инструкция
Инструкция
2D Чертеж
2D Чертеж
3D Модель
3D Модель
Каталог
Каталог
Техническое описание
Техническое описание
- Регулируемая среда (теплоноситель)
- вода, пар, углеводороды, кислоты, пищевые жидкости и другие
- Макс. рабочее давление, бар изб.
- до 25
- № рамы
- 1
- Материал пластин
- AISI 304, AISI 316L, SMO 254, Titan, C-276 и другие
- Количество пластин
- 5-30
- Расчетное давление, МПа
- 1,6
- Температура рабочей среды, °С
- от -25 до +180
- Габаритные размеры (ШхВхГ), мм
- 316х765х393
- Макс. масса, кг
- 115
- Стяжные шпильки (размер)
- М16
- Стяжные шпильки (кол-во), шт
- 8
- Материал прокладки
- EPDM, Nitril, Viton и их модификации
Руководство
Руководство
Сертификат
Сертификат
Инструкция
Инструкция
2D Чертеж
2D Чертеж
3D Модель
3D Модель
Каталог
Каталог
Техническое описание
Техническое описание
- Гибкая конфигурация: Количество пластин варьируется от 5 до 30. Площадь теплообмена одной пластины составляет 0,119 м², что позволяет достичь общей площади до 3,3 м².
- Типы каналов: Аппарат комплектуется пластинами с типами каналов M и H.
- Надежное уплотнение (Hang-on):
Герметичность обеспечивается прокладками с клипсовой фиксацией типа Hang-on. Принцип фиксации: клипса имеет Т-образные концы, которые заводятся за обратную сторону пластины. В отличие от клеевых соединений, такой клипсовый замок обеспечивает простую и быструю замену прокладок. Монтируется в специальные углубления по контуру пластины, а дополнительная надежность обеспечивается специальным ушком на Hang-on.
Дополнительную герметичность обеспечивают уплотнения портов на неподвижной плите. - Дополнительные опции: Возможность предусмотреть теплоизоляцию
Товары серии
Сортировать по:
Название и артикул | № рамы | Количество пластин | Температура рабочей среды, °С | Расчетное давление, МПа | Габаритные размеры (ШхВхГ), мм | Макс. масса, кг | ||
|---|---|---|---|---|---|---|---|---|
Теплообменник НН№12М ДУ 50 5-30 пластин | 1 | 5-30 | от -25 до +180 | 1,6 | 316х765х393 | 115 | ||
₽ 67 297.00 Заказная позиция | ||||||||
Теплообменник НН№12М ДУ 50 31-72 пластин | 2 | 31-62 | от -25 до +180 | 1,6 | 316х765х493 | 137 | ||
₽ 96 543.00 Заказная позиция | ||||||||
Теплообменник НН№12М ДУ 50 73-114 пластин | 3 | 63-114 | от -25 до +180 | 1,6 | 316х765х693 | 174 | ||
₽ 145 171.00 Заказная позиция | ||||||||
Теплообменник НН№12М ДУ 50 115-156 пластин | 4 | 115-146 | от -25 до +180 | 1,6 | 316х765х793 | 196 | ||
₽ 192 973.00 Заказная позиция | ||||||||
Теплообменник НН№12М ДУ 50 157-198 пластин | 5 | 147-198 | от -25 до +180 | 1,6 | 316х765х993 | 233 | ||
₽ 242 429.00 Заказная позиция | ||||||||
Теплообменник НН№12М ДУ 50 199-234 пластин | 6 | 199-234 | от -25 до +180 | 1,6 | 316х765х1093 | 258 | ||
по запросу Заказная позиция | ||||||||

