Теплообменник НН№12М ДУ 50 157-198 пластин
Теплообменник НН№12М (рама №5) — это разборный пластинчатый аппарат с максимальной площадью теплообмена в линейке типоразмера НН№12М. Аппарат рассчитан давление до 1,6 МПа.
от ₽ 242 429.00
Цена без НДС Заказная позиция
- № рамы
- 5
- Количество пластин
- 147-198
- Температура рабочей среды, °С
- от -25 до +180
Подбор рекомендованного аналога
Заполните форму, и мы обязательно с Вами свяжемсяОсновное
Все характеристикиПредприятие обеспечивает полный производственный цикл, включая производство пластин, плит, элементов рам и других комплектующих. Локализация достигает 95%, мощность предприятия составляет более 20 тыс. изделий в год.
- № рамы
- 5
- Количество пластин
- 147-198
- Температура рабочей среды, °С
- от -25 до +180
- Расчетное давление, МПа
- 1,6
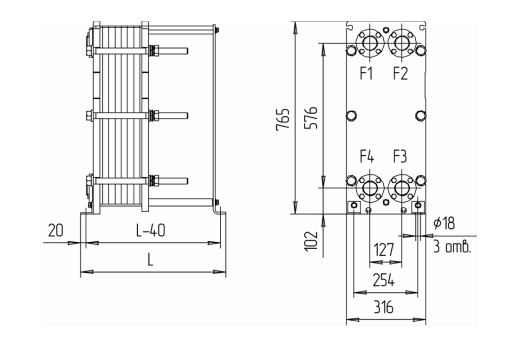
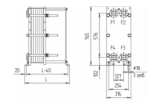
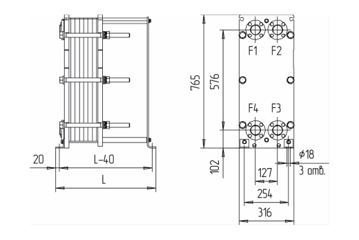
- Габаритные размеры (ШхВхГ), мм
- 316х765х993
- Макс. масса, кг
- 233
Обзор
Обзор- Гибкая конфигурация: Диапазон пластин в пакете от 157 до 198, максимальная площадь теплообмена 23,32 м².
- Настройка под задачу: Компоновка из различных типов каналов: M, и H. Таким образом осуществляется гибкий подбор аппарата в соответствии с параметрами системы.
- Надежное уплотнение (Hang-on):
Надежное уплотнение по технологии Hang-on обеспечивает идеальную герметичность. Прокладки фиксируются без клея с помощью Т-образных клипс, что гарантирует простой монтаж и быструю замену. Дополнительная защита от протечек достигается за счет специального ушка и уплотнений портов, делая конструкцию долговечной и практичной в обслуживании. - Дополнительные опции: Возможность предусмотреть теплоизоляцию
Документы
Все документыРуководство
Руководство
Сертификат
Сертификат
Инструкция
Инструкция
2D Чертеж
2D Чертеж
3D Модель
3D Модель
Каталог
Каталог
Техническое описание
Техническое описание
- Регулируемая среда (теплоноситель)
- вода, пар, углеводороды, кислоты, пищевые жидкости и другие
- Макс. рабочее давление, бар изб.
- до 25
- № рамы
- 5
- Материал пластин
- AISI 304, AISI 316L, SMO 254, Titan, C-276 и другие
- Количество пластин
- 147-198
- Расчетное давление, МПа
- 1,6
- Температура рабочей среды, °С
- от -25 до +180
- Габаритные размеры (ШхВхГ), мм
- 316х765х993
- Макс. масса, кг
- 233
- Стяжные шпильки (размер)
- М16
- Стяжные шпильки (кол-во), шт
- 8
- Материал прокладки
- EPDM, Nitril, Viton и их модификации
Руководство
Руководство
Сертификат
Сертификат
Инструкция
Инструкция
2D Чертеж
2D Чертеж
3D Модель
3D Модель
Каталог
Каталог
Техническое описание
Техническое описание
- Гибкая конфигурация: Диапазон пластин в пакете от 157 до 198, максимальная площадь теплообмена 23,32 м².
- Настройка под задачу: Компоновка из различных типов каналов: M, и H. Таким образом осуществляется гибкий подбор аппарата в соответствии с параметрами системы.
- Надежное уплотнение (Hang-on):
Надежное уплотнение по технологии Hang-on обеспечивает идеальную герметичность. Прокладки фиксируются без клея с помощью Т-образных клипс, что гарантирует простой монтаж и быструю замену. Дополнительная защита от протечек достигается за счет специального ушка и уплотнений портов, делая конструкцию долговечной и практичной в обслуживании. - Дополнительные опции: Возможность предусмотреть теплоизоляцию
Товары серии
Сортировать по:
Название и артикул | № рамы | Количество пластин | Температура рабочей среды, °С | Расчетное давление, МПа | Габаритные размеры (ШхВхГ), мм | Макс. масса, кг | ||
|---|---|---|---|---|---|---|---|---|
Теплообменник НН№12М ДУ 50 5-30 пластин | 1 | 5-30 | от -25 до +180 | 1,6 | 316х765х393 | 115 | ||
₽ 67 297.00 Заказная позиция | ||||||||
Теплообменник НН№12М ДУ 50 31-72 пластин | 2 | 31-62 | от -25 до +180 | 1,6 | 316х765х493 | 137 | ||
₽ 96 543.00 Заказная позиция | ||||||||
Теплообменник НН№12М ДУ 50 73-114 пластин | 3 | 63-114 | от -25 до +180 | 1,6 | 316х765х693 | 174 | ||
₽ 145 171.00 Заказная позиция | ||||||||
Теплообменник НН№12М ДУ 50 115-156 пластин | 4 | 115-146 | от -25 до +180 | 1,6 | 316х765х793 | 196 | ||
₽ 192 973.00 Заказная позиция | ||||||||
Теплообменник НН№12М ДУ 50 157-198 пластин | 5 | 147-198 | от -25 до +180 | 1,6 | 316х765х993 | 233 | ||
₽ 242 429.00 Заказная позиция | ||||||||
Теплообменник НН№12М ДУ 50 199-234 пластин | 6 | 199-234 | от -25 до +180 | 1,6 | 316х765х1093 | 258 | ||
по запросу Заказная позиция | ||||||||

